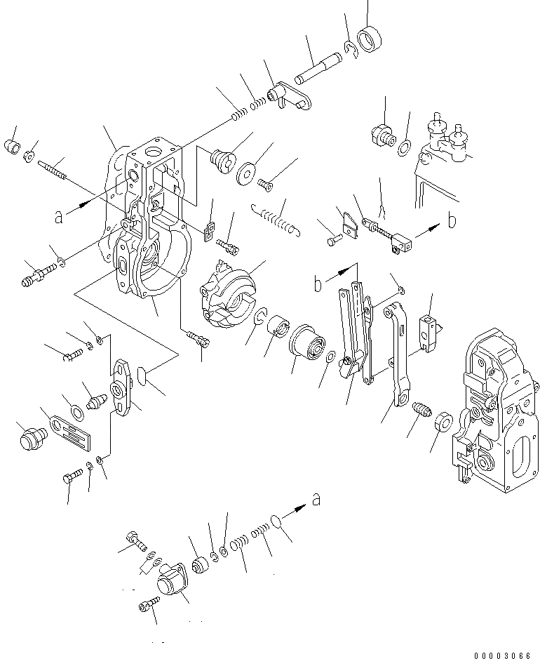
Запчасти Komatsu SAA4D102E-2G-4 ТОПЛ. НАСОС (РЕГУЛЯТОР) (/) (ВНУТР. ЧАСТИ)(№77-) ДВИГАТЕЛЬ

Схема запчастей Komatsu SAA4D102E-2G-4 - ТОПЛ. НАСОС (РЕГУЛЯТОР) (/) (ВНУТР. ЧАСТИ)(№77-) ДВИГАТЕЛЬ
1
2
3
4
5
6
7
8
9
10
11
12
13
14
15
16
17
18
19
20
21
22
23
24
25
26
27
28
29
30
31
32
33
34
35
36
37
38
39
40
41
42
43
44
45
46
47
48
49
50
51
51
52
52
53
54
55
56
57
1
2
3
4
5
6
7
8
9
10
11
12
13
14
15
16
17
18
19
20
21
22
23
24
25
26
27
28
29
30
31
32
33
34
35
36
37
38
39
40
41
42
43
44
45
46
47
48
49
50
51
51
52
52
53
54
55
56
57
FIT
1:1
100%

Артикул

Название

Примечание

Количество

|1

6737-71-1140

INJECTION PUMP ASS'Y

SN: 26317765-UP

1шт.

|$$2

THIS ASSEMBLY CONSISTS OF ALL PARTS SHOWN IN FIGS.A401P-02J0 TO A401P-07J0.

-1шт.

|1

DK105404-6170

GOVERNOR ASS'Y

SN: 26317765-UP

1шт.

|$$4

THIS ASSEMBLY CONSISTS OF ALL PARTS SHOWN IN FIGS.A401P-04J0 TO A401P-06J0.

-1шт.

|1

DK154620-0820

HOUSING ASS'Y

SN: 26317765-UP

1шт.

1

DK154620-0020

HOUSING

SN: 26317765-UP

1шт.

2

DK154621-3701

SHAFT

SN: 26317765-UP

1шт.

3

DK016010-0740

RING,SNAP

SN: 26317765-UP

1шт.

4

DK154415-3320

LEVER

SN: 26317765-UP

1шт.

5

DK154415-3400

SPRING

SN: 26317765-UP

1шт.

6

DK154621-3800

SPRING

SN: 26317765-UP

1шт.

7

DK154621-4400

SPRING

SN: 26317765-UP

1шт.

8

DK139406-1400

SHIM

SN: 26317765-UP

1шт.

9

DK160100-0540

RING,SNAP

SN: 26317765-UP

1шт.

10

DK154621-3600

CAP

SN: 26317765-UP

1шт.

11

DK016520-2210

O-RING

SN: 26317765-UP

1шт.

12

DK154621-3500

BUSHING

SN: 26317765-UP

1шт.

13

DK154621-3900

SPRING

SN: 26317765-UP

1шт.

14

DK154620-1600

COVER

SN: 26317765-UP

1шт.

15

DK010235-1640

BOLT,SOCKET

SN: 26317765-UP

2шт.

16

DK029341-0110

GASKET

SN: 26317765-UP

2шт.

17

DK029731-0120

BOLT,EYE

SN: 26317765-UP

1шт.

18

DK154621-4300

BOLT

SN: 26317765-UP

1шт.

19

DK154621-4100

WASHER

SN: 26317765-UP

1шт.

20

DK154620-7900

ADAPTER

SN: 26317765-UP

1шт.

21

DK154375-9020

PLATE

SN: 26317765-UP

1шт.

22

DK029010-6810

BOLT

SN: 26317765-UP

5шт.

23

DK020106-1840

BOLT

SN: 26317765-UP

1шт.

24

DK154013-5000

SCREW

SN: 26317765-UP

1шт.

25

DK154011-4900

NUT,LOCK

SN: 26317765-UP

1шт.

26

DK155404-3500

CAP

SN: 26317765-UP

1шт.

27

DK026518-2240

GASKET

SN: 26317765-UP

1шт.

28

DK154621-2120

FLYWEIGHT ASS'Y

SN: 26317765-UP

1шт.

29

DK029321-2020

WASHER,SPRING

SN: 26317765-UP

1шт.

30

DK029231-2030

NUT

SN: 26317765-UP

1шт.

31

DK154123-0120

SLEEVE

SN: 26317765-UP

1шт.

32

DK029311-0010

SHIM¤ 0.20MM

SN: 26317765-UP

-2шт.

|32

DK029311-0180

SHIM¤ 0.30MM

SN: 26317765-UP

-2шт.

|32

DK029311-0190

SHIM¤ 0.40MM

SN: 26317765-UP

-2шт.

|32

DK139410-0000

SHIM¤ 0.50MM

SN: 26317765-UP

-2шт.

|32

DK029311-0210

SHIM¤ 1.00MM

SN: 26317765-UP

-2шт.

|32

DK139410-0100

SHIM¤ 1.50MM

SN: 26317765-UP

-2шт.

|32

DK139410-3000

SHIM¤ 2.00MM

SN: 26317765-UP

-2шт.

|32

DK139410-3100

SHIM¤ 3.00MM

SN: 26317765-UP

-2шт.

|32

DK139410-3200

SHIM¤ 4.00MM

SN: 26317765-UP

-2шт.

33

DK154154-5200

SPRING

SN: 26317765-UP

1шт.

34

DK154177-1020

CAPSULE,SPRING

SN: 26317765-UP

1шт.

35

DK029201-6010

NUT

SN: 26317765-UP

1шт.

36

DK154218-1620

GUIDE LEVER ASS'Y

SN: 26317765-UP

1шт.

37

DK016010-0540

RING,SNAP

SN: 26317765-UP

1шт.

38

DK154235-4720

LINK

SN: 26317765-UP

1шт.

39

DK154232-3200

CONNECTOR

SN: 26317765-UP

1шт.

40

DK154222-5800

PIN

SN: 26317765-UP

1шт.

41

DK155402-3800

PIN

SN: 26317765-UP

1шт.

42

DK154236-4100

LEVER

SN: 26317765-UP

1шт.

43

DK154390-0000

GASKET

SN: 26317765-UP

1шт.

44

DK154621-3000

PLUG

SN: 26317765-UP

1шт.

45

DK026518-2240

GASKET

SN: 26317765-UP

1шт.

46

DK154620-8800

PIN

SN: 26317765-UP

1шт.

47

DK154620-8901

PLATE

SN: 26317765-UP

1шт.

48

DK010038-1840

BOLT

SN: 26317765-UP

1шт.

49

DK154620-1500

FLANGE

SN: 26317765-UP

1шт.

50

DK154620-4700

BOLT

SN: 26317765-UP

1шт.

51

DK014110-8440

WASHER,SPRING

SN: 26317765-UP

2шт.

52

DK014010-8140

WASHER

SN: 26317765-UP

2шт.

53

DK154621-3200

O-RING

SN: 26317765-UP

1шт.

54

DK154062-3520

CAP

SN: 26317765-UP

1шт.

55

DK154013-2320

BOLT

SN: 26317765-UP

1шт.

56

DK014110-8440

WASHER,SPRING

SN: 26317765-UP

1шт.

57

DK154326-5120

LEVER ASS'Y

SN: 26317765-UP

1шт.

|1

6737-71-1140

INJECTION PUMP ASS'Y

SN: 26317765-UP

1шт.

|$$2

THIS ASSEMBLY CONSISTS OF ALL PARTS SHOWN IN FIGS.A401P-02J0 TO A401P-07J0.

-1шт.

|1

DK105404-6170

GOVERNOR ASS'Y

SN: 26317765-UP

1шт.

|$$4

THIS ASSEMBLY CONSISTS OF ALL PARTS SHOWN IN FIGS.A401P-04J0 TO A401P-06J0.

-1шт.

|1

DK154620-0820

HOUSING ASS'Y

SN: 26317765-UP

1шт.

1

DK154620-0020

HOUSING

SN: 26317765-UP

1шт.

2

DK154621-3701

SHAFT

SN: 26317765-UP

1шт.

3

DK016010-0740

RING,SNAP

SN: 26317765-UP

1шт.

4

DK154415-3320

LEVER

SN: 26317765-UP

1шт.

5

DK154415-3400

SPRING

SN: 26317765-UP

1шт.

6

DK154621-3800

SPRING

SN: 26317765-UP

1шт.

7

DK154621-4400

SPRING

SN: 26317765-UP

1шт.

8

DK139406-1400

SHIM

SN: 26317765-UP

1шт.

9

DK160100-0540

RING,SNAP

SN: 26317765-UP

1шт.

10

DK154621-3600

CAP

SN: 26317765-UP

1шт.

11

DK016520-2210

O-RING

SN: 26317765-UP

1шт.

12

DK154621-3500

BUSHING

SN: 26317765-UP

1шт.

13

DK154621-3900

SPRING

SN: 26317765-UP

1шт.

14

DK154620-1600

COVER

SN: 26317765-UP

1шт.

15

DK010235-1640

BOLT,SOCKET

SN: 26317765-UP

2шт.

16

DK029341-0110

GASKET

SN: 26317765-UP

2шт.

17

DK029731-0120

BOLT,EYE

SN: 26317765-UP

1шт.

18

DK154621-4300

BOLT

SN: 26317765-UP

1шт.

19

DK154621-4100

WASHER

SN: 26317765-UP

1шт.

20

DK154620-7900

ADAPTER

SN: 26317765-UP

1шт.

21

DK154375-9020

PLATE

SN: 26317765-UP

1шт.

22

DK029010-6810

BOLT

SN: 26317765-UP

5шт.

23

DK020106-1840

BOLT

SN: 26317765-UP

1шт.

24

DK154013-5000

SCREW

SN: 26317765-UP

1шт.

25

DK154011-4900

NUT,LOCK

SN: 26317765-UP

1шт.

26

DK155404-3500

CAP

SN: 26317765-UP

1шт.

27

DK026518-2240

GASKET

SN: 26317765-UP

1шт.

28

DK154621-2120

FLYWEIGHT ASS'Y

SN: 26317765-UP

1шт.

29

DK029321-2020

WASHER,SPRING

SN: 26317765-UP

1шт.

30

DK029231-2030

NUT

SN: 26317765-UP

1шт.

31

DK154123-0120

SLEEVE

SN: 26317765-UP

1шт.

32

DK029311-0010

SHIM¤ 0.20MM

SN: 26317765-UP

-2шт.

|32

DK029311-0180

SHIM¤ 0.30MM

SN: 26317765-UP

-2шт.

|32

DK029311-0190

SHIM¤ 0.40MM

SN: 26317765-UP

-2шт.

|32

DK139410-0000

SHIM¤ 0.50MM

SN: 26317765-UP

-2шт.

|32

DK029311-0210

SHIM¤ 1.00MM

SN: 26317765-UP

-2шт.

|32

DK139410-0100

SHIM¤ 1.50MM

SN: 26317765-UP

-2шт.

|32

DK139410-3000

SHIM¤ 2.00MM

SN: 26317765-UP

-2шт.

|32

DK139410-3100

SHIM¤ 3.00MM

SN: 26317765-UP

-2шт.

|32

DK139410-3200

SHIM¤ 4.00MM

SN: 26317765-UP

-2шт.

33

DK154154-5200

SPRING

SN: 26317765-UP

1шт.

34

DK154177-1020

CAPSULE,SPRING

SN: 26317765-UP

1шт.

35

DK029201-6010

NUT

SN: 26317765-UP

1шт.

36

DK154218-1620

GUIDE LEVER ASS'Y

SN: 26317765-UP

1шт.

37

DK016010-0540

RING,SNAP

SN: 26317765-UP

1шт.

38

DK154235-4720

LINK

SN: 26317765-UP

1шт.

39

DK154232-3200

CONNECTOR

SN: 26317765-UP

1шт.

40

DK154222-5800

PIN

SN: 26317765-UP

1шт.

41

DK155402-3800

PIN

SN: 26317765-UP

1шт.

42

DK154236-4100

LEVER

SN: 26317765-UP

1шт.

43

DK154390-0000

GASKET

SN: 26317765-UP

1шт.

44

DK154621-3000

PLUG

SN: 26317765-UP

1шт.

45

DK026518-2240

GASKET

SN: 26317765-UP

1шт.

46

DK154620-8800

PIN

SN: 26317765-UP

1шт.

47

DK154620-8901

PLATE

SN: 26317765-UP

1шт.

48

DK010038-1840

BOLT

SN: 26317765-UP

1шт.

49

DK154620-1500

FLANGE

SN: 26317765-UP

1шт.

50

DK154620-4700

BOLT

SN: 26317765-UP

1шт.

51

DK014110-8440

WASHER,SPRING

SN: 26317765-UP

2шт.

52

DK014010-8140

WASHER

SN: 26317765-UP

2шт.

53

DK154621-3200

O-RING

SN: 26317765-UP

1шт.

54

DK154062-3520

CAP

SN: 26317765-UP

1шт.

55

DK154013-2320

BOLT

SN: 26317765-UP

1шт.

56

DK014110-8440

WASHER,SPRING

SN: 26317765-UP

1шт.

57

DK154326-5120

LEVER ASS'Y

SN: 26317765-UP

1шт.

Выбрано товаров: 0