Запчасти Komatsu SAA4D102E-2G-4 АНТИКОРРОЗ. ЭЛЕМЕНТ(№9-) ДВИГАТЕЛЬ

Схема запчастей Komatsu SAA4D102E-2G-4 - АНТИКОРРОЗ. ЭЛЕМЕНТ(№9-) ДВИГАТЕЛЬ
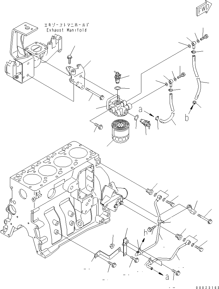
1
2
2
3
3
4
5
6
6
7
8
9
10
11
12
13
14
15
16
17
18
19
20
20
21
21
22
22
22
22
23
23
23
23
24
25
26
27
28
29
30
31
31
32
1
2
2
3
3
4
5
6
6
7
8
9
10
11
12
13
14
15
16
17
18
19
20
20
21
21
22
22
22
22
23
23
23
23
24
25
26
27
28
29
30
31
31
32
FIT
1:1
100%

Артикул

Название

Примечание

Количество

|1

6738-61-8100

CORROSION ASS'Y

SN: 26323391-UP

1шт.

|1

6732-61-8300

HEAD ASS'Y

SN: 26323391-UP

1шт.

1

600-411-2410

HEAD

SN: 26323391-UP

1шт.

2

600-411-2120

VALVE ASS'Y

SN: 26323391-UP

2шт.

3

600-411-2130

GASKET,CORROSION

SN: 26323391-UP

2шт.

4

600-411-1191

CARTRIDGE

SN: 26323391-UP

1шт.

5

416-01-31210

BRACKET

SN: 26323391-UP

1шт.

6

01435-01035

BOLT

SN: 26323391-UP

4шт.

7

01436-01010

BOLT

SN: 26323391-UP

1шт.

8

416-01-31281

TUBE

SN: 26323391-UP

1шт.

9

6735-61-8140

NIPPLE

SN: 26323391-UP

1шт.

10

07206-31014

BOLT,JOINT

SN: 26323391-UP

1шт.

11

07005-01412

GASKET

SN: 26323391-UP

2шт.

12

416-01-31290

BRACKET

SN: 26323391-UP

1шт.

13

01435-01080

BOLT

SN: 26323391-UP

1шт.

14

04434-51010

CLIP

SN: 26323391-UP

1шт.

15

01435-01016

BOLT

SN: 26323391-UP

1шт.

16

416-01-31270

TUBE

SN: 26323391-UP

1шт.

17

6151-71-5910

CONNECTOR

SN: 26323391-UP

1шт.

18

07206-31014

BOLT,JOINT

SN: 26323391-UP

1шт.

19

07005-01412

GASKET

SN: 26323391-UP

2шт.

20

6144-71-5750

JOINT

SN: 26323391-UP

2шт.

21

07206-31014

BOLT,JOINT

SN: 26323391-UP

2шт.

22

07005-01412

GASKET

SN: 26323391-UP

4шт.

23

07281-00197

CLAMP

SN: 26323391-UP

4шт.

24

07260-20927

HOSE

SN: 26323391-UP

1шт.

25

07260-20930

HOSE

SN: 26323391-UP

1шт.

26

6737-61-8110

BRACKET

SN: 26323391-UP

1шт.

27

01435-01220

BOLT

SN: 26323391-UP

1шт.

28

416-01-31260

BRACKET

SN: 26323391-UP

1шт.

29

01435-01020

BOLT

SN: 26323391-UP

1шт.

30

01584-01008

NUT

SN: 26323391-UP

1шт.

31

04434-51010

CLIP

SN: 26323391-UP

2шт.

32

01435-01016

BOLT

SN: 26323391-UP

2шт.

|1

6738-61-8100

CORROSION ASS'Y

SN: 26323391-UP

1шт.

|1

6732-61-8300

HEAD ASS'Y

SN: 26323391-UP

1шт.

1

600-411-2410

HEAD

SN: 26323391-UP

1шт.

2

600-411-2120

VALVE ASS'Y

SN: 26323391-UP

2шт.

3

600-411-2130

GASKET,CORROSION

SN: 26323391-UP

2шт.

4

600-411-1191

CARTRIDGE

SN: 26323391-UP

1шт.

5

416-01-31210

BRACKET

SN: 26323391-UP

1шт.

6

01435-01035

BOLT

SN: 26323391-UP

4шт.

7

01436-01010

BOLT

SN: 26323391-UP

1шт.

8

416-01-31281

TUBE

SN: 26323391-UP

1шт.

9

6735-61-8140

NIPPLE

SN: 26323391-UP

1шт.

10

07206-31014

BOLT,JOINT

SN: 26323391-UP

1шт.

11

07005-01412

GASKET

SN: 26323391-UP

2шт.

12

416-01-31290

BRACKET

SN: 26323391-UP

1шт.

13

01435-01080

BOLT

SN: 26323391-UP

1шт.

14

04434-51010

CLIP

SN: 26323391-UP

1шт.

15

01435-01016

BOLT

SN: 26323391-UP

1шт.

16

416-01-31270

TUBE

SN: 26323391-UP

1шт.

17

6151-71-5910

CONNECTOR

SN: 26323391-UP

1шт.

18

07206-31014

BOLT,JOINT

SN: 26323391-UP

1шт.

19

07005-01412

GASKET

SN: 26323391-UP

2шт.

20

6144-71-5750

JOINT

SN: 26323391-UP

2шт.

21

07206-31014

BOLT,JOINT

SN: 26323391-UP

2шт.

22

07005-01412

GASKET

SN: 26323391-UP

4шт.

23

07281-00197

CLAMP

SN: 26323391-UP

4шт.

24

07260-20927

HOSE

SN: 26323391-UP

1шт.

25

07260-20930

HOSE

SN: 26323391-UP

1шт.

26

6737-61-8110

BRACKET

SN: 26323391-UP

1шт.

27

01435-01220

BOLT

SN: 26323391-UP

1шт.

28

416-01-31260

BRACKET

SN: 26323391-UP

1шт.

29

01435-01020

BOLT

SN: 26323391-UP

1шт.

30

01584-01008

NUT

SN: 26323391-UP

1шт.

31

04434-51010

CLIP

SN: 26323391-UP

2шт.

32

01435-01016

BOLT

SN: 26323391-UP

2шт.

Выбрано товаров: 68