Качественные детали и логистика
Оригинальные и аналоговые запчасти с доставкой по России, Казахстану и Беларуси
©2022 PartSell ООО "Система" ИНН 2463123282 ОГРН 1212400004838
Центральный офис: г. Красноярск, Академика Киренского, д.87, пом.4
Телефон: 8 (800) 777-65-74 Email: zakaz@partsell.ru
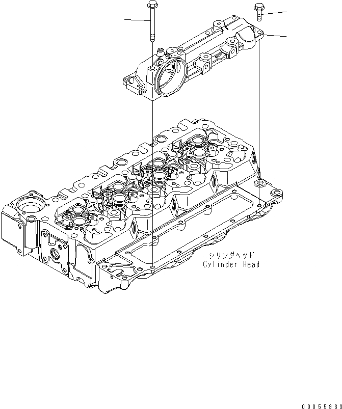
ВПУСК ВОЗДУХА COVER
№
Артикул
Название
Примечание
Количество
1
6751-11-4230
MANIFOLD,AIR INTAKE
SN: 21720884-UP
1шт.
2
6732-11-4150
BOLT
2шт.
3
6732-11-4160
6шт.
Выбрано товаров: 0