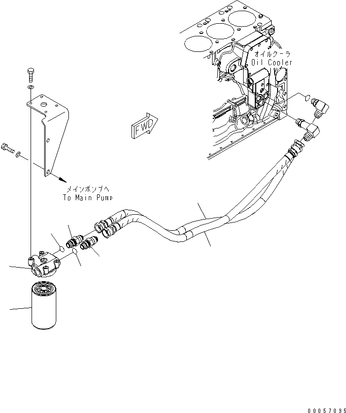
Запчасти Komatsu SAA4D107E-1A-WK МАСЛ. ФИЛЬТР ДВИГАТЕЛЬ

Схема запчастей Komatsu SAA4D107E-1A-WK - МАСЛ. ФИЛЬТР ДВИГАТЕЛЬ
1
2
3
4
5
6
7
8
FIT
1:1
100%

Артикул

Название

Примечание

Количество

1

6754-52-5310

HEAD

SN: 21720884-UP

1шт.

2

6731-51-5260

NIPPLE

SN: 21720884-UP

1шт.

3

6731-51-5290

O-RING

SN: 21720884-UP

1шт.

4

6738-51-5260

NIPPLE

SN: 21720884-UP

1шт.

5

6731-51-5290

O-RING

SN: 21720884-UP

1шт.

6

6736-51-5142

CARTRIDGE

SN: 21720884-UP

1шт.

7

6737-51-9810

HOSE

SN: 21720884-UP

1шт.

8

6737-51-9910

HOSE

SN: 21720884-UP

1шт.

Выбрано товаров: 8