Качественные детали и логистика
Оригинальные и аналоговые запчасти с доставкой по России, Казахстану и Беларуси
©2022 PartSell ООО "Система" ИНН 2463123282 ОГРН 1212400004838
Центральный офис: г. Красноярск, Академика Киренского, д.87, пом.4
Телефон: 8 (800) 777-65-74 Email: zakaz@partsell.ru
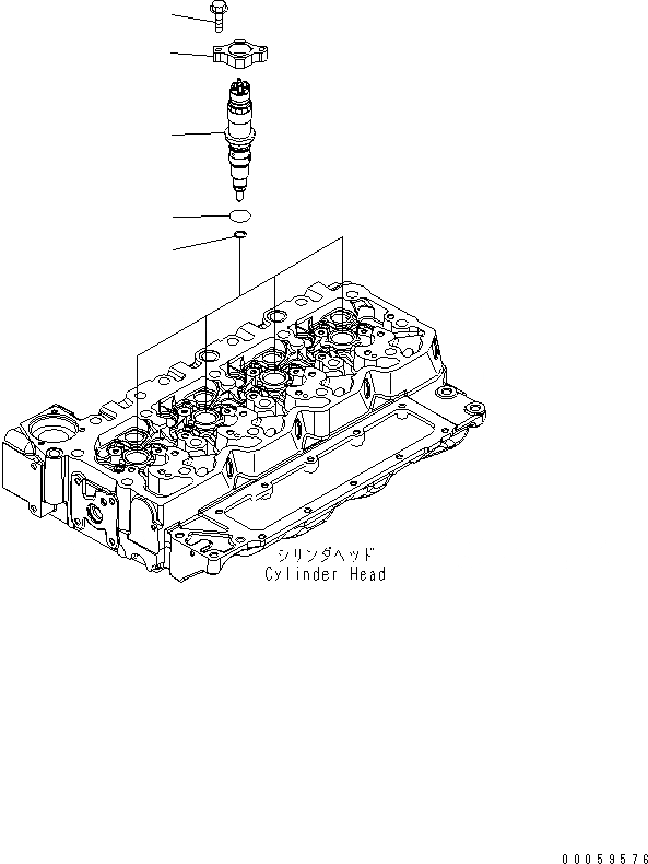
ВПРЫСК
№
Артикул
Название
Примечание
Количество
|1
6754-11-3010
INJECTOR ASS'Y
SN: 21720884-UP
4шт.
1
0
CLAMP
2
INJECTOR
3
6754-11-3130
O-RING
4
6754-11-3140
5
6742-01-2630
BOLT
8шт.
Выбрано товаров: 0