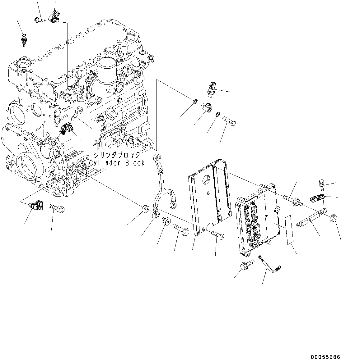
Запчасти Komatsu SAA4D107E-1B ТОПЛИВН. ВПРЫСК КОНТРОЛЛЕР КОМПОНЕНТЫ (№779-) ТОПЛИВН. ВПРЫСК КОНТРОЛЛЕР КОМПОНЕНТЫ

Схема запчастей Komatsu SAA4D107E-1B - ТОПЛИВН. ВПРЫСК КОНТРОЛЛЕР КОМПОНЕНТЫ (№779-) ТОПЛИВН. ВПРЫСК КОНТРОЛЛЕР КОМПОНЕНТЫ
17
19
10
9
15
20
12
11
5
4
6
3
8
7
2
1
1
2
22
23
21
23
13
18
16
14
17
19
10
9
15
20
12
11
5
4
6
3
8
7
2
1
1
2
22
23
21
23
13
18
16
14
FIT
1:1
100%

Артикул

Название

Примечание

Количество

1

6754-81-9200

Sensor Assembly, Position

SN: 26537379-UP

2шт.

|$1

6261-81-2920

O-ring

SN: 26537379-UP

1шт.

2

6216-84-9220

Bolt

SN: 26537379-UP

2шт.

3

6754-81-9120

Bracket

SN: 26537379-UP

1шт.

4

6735-61-2120

Bolt

SN: 26537379-UP

3шт.

5

6754-81-9110

Isolator

SN: 26537379-UP

3шт.

6

6754-81-9130

Isolator

SN: 26537379-UP

3шт.

7

6754-81-9140

Support

SN: 26537379-UP

1шт.

8

6754-81-9150

Bolt

SN: 26537379-UP

3шт.

9

6754-81-9170

Wire

SN: 26537379-UP

1шт.

10

6216-74-6180

Bolt

SN: 26537379-UP

1шт.

11

6261-81-1900

Sensor, Pressure

SN: 26537379-UP

1шт.

12

6734-71-5520

Bolt

SN: 26537379-UP

1шт.

13

6744-81-4010

Switch, Pressure

SN: 26537379-UP

1шт.

|$14

6219-81-1990

O-ring

SN: 26537379-UP

1шт.

14

6261-81-6901

Sensor Assembly

SN: 26537379-UP

1шт.

|$16

6216-84-9740

Seal

SN: 26537379-UP

1шт.

15

6216-84-2130

Plate

SN: 26537379-UP

1шт.

16

6754-81-2701

Sensor, Temperature

SN: 26537379-UP

1шт.

|$19

6754-81-2710

O-ring

SN: 26537379-UP

1шт.

17

01584-00605

Nut

SN: 26537379-UP

2шт.

18

6754-81-9180

Screw

SN: 26537379-UP

1шт.

19

6751-81-9110

Bracket

SN: 26537379-UP

1шт.

20

6754-81-9160

Bolt

SN: 26537379-UP

5шт.

21

6751-81-2110

Adapter

SN: 26537379-UP

1шт.

22

6751-81-9121

Screw

SN: 26537379-UP

1шт.

23

6751-81-9130

Washer

SN: 26537379-UP

2шт.

1

6754-81-9200

Sensor Assembly, Position

SN: 26537379-UP

2шт.

|$1

6261-81-2920

O-ring

SN: 26537379-UP

1шт.

2

6216-84-9220

Bolt

SN: 26537379-UP

2шт.

3

6754-81-9120

Bracket

SN: 26537379-UP

1шт.

4

6735-61-2120

Bolt

SN: 26537379-UP

3шт.

5

6754-81-9110

Isolator

SN: 26537379-UP

3шт.

6

6754-81-9130

Isolator

SN: 26537379-UP

3шт.

7

6754-81-9140

Support

SN: 26537379-UP

1шт.

8

6754-81-9150

Bolt

SN: 26537379-UP

3шт.

9

6754-81-9170

Wire

SN: 26537379-UP

1шт.

10

6216-74-6180

Bolt

SN: 26537379-UP

1шт.

11

6261-81-1900

Sensor, Pressure

SN: 26537379-UP

1шт.

12

6734-71-5520

Bolt

SN: 26537379-UP

1шт.

13

6744-81-4010

Switch, Pressure

SN: 26537379-UP

1шт.

|$14

6219-81-1990

O-ring

SN: 26537379-UP

1шт.

14

6261-81-6901

Sensor Assembly

SN: 26537379-UP

1шт.

|$16

6216-84-9740

Seal

SN: 26537379-UP

1шт.

15

6216-84-2130

Plate

SN: 26537379-UP

1шт.

16

6754-81-2701

Sensor, Temperature

SN: 26537379-UP

1шт.

|$19

6754-81-2710

O-ring

SN: 26537379-UP

1шт.

17

01584-00605

Nut

SN: 26537379-UP

2шт.

18

6754-81-9180

Screw

SN: 26537379-UP

1шт.

19

6751-81-9110

Bracket

SN: 26537379-UP

1шт.

20

6754-81-9160

Bolt

SN: 26537379-UP

5шт.

21

6751-81-2110

Adapter

SN: 26537379-UP

1шт.

22

6751-81-9121

Screw

SN: 26537379-UP

1шт.

23

6751-81-9130

Washer

SN: 26537379-UP

2шт.

Выбрано товаров: 0