Запчасти Komatsu SAA4D107E-1C МАСЛОПРОВОДЯЩИЕ ТРУБКИ ТУРБОНАГНЕТАТЕЛЯ, (№97-) МАСЛОПРОВОДЯЩИЕ ТРУБКИ ТУРБОНАГНЕТАТЕЛЯ

Схема запчастей Komatsu SAA4D107E-1C - МАСЛОПРОВОДЯЩИЕ ТРУБКИ ТУРБОНАГНЕТАТЕЛЯ, (№97-) МАСЛОПРОВОДЯЩИЕ ТРУБКИ ТУРБОНАГНЕТАТЕЛЯ
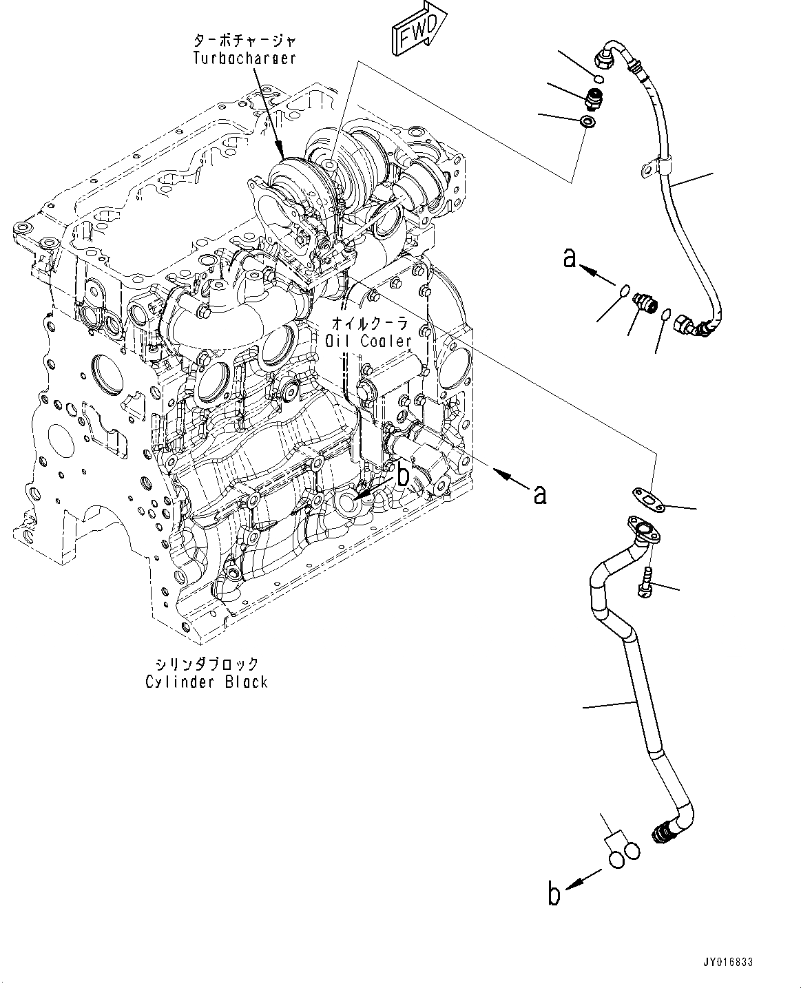
9
10
11
6
8
7
5
4
3
2
1
FIT
1:1
100%

Артикул

Название

Примечание

Количество

|$0

6751-51-8200

Tube Assembly

SN: 26541103-UP

1шт.

1

6751-51-8130

Tube

SN: 26541103-UP

1шт.

2

6732-51-8330

O-ring

SN: 26541103-UP

2шт.

3

6216-84-9220

Bolt

SN: 26541103-UP

2шт.

4

6751-51-7690

Gasket

SN: 26541103-UP

1шт.

5

6751-51-8220

Hose

SN: 26541103-UP

1шт.

5

6745-61-8160

Connector Assembly

SN: 26559673-UP

1шт.

6

6737-51-8770

O-ring

SN: 26559673-UP

1шт.

7

6732-81-8860

O-ring

SN: 26559673-UP

1шт.

8

6755-51-8230

Union

SN: 26559673-UP

1шт.

8

6751-51-8180

Connector Assembly

SN: 26541103-UP

1шт.

9

6737-51-8760

Seal, Washer

SN: 26541103-UP

1шт.

10

6732-51-8280

Connector

SN: 26541103-UP

1шт.

11

6732-81-8860

O-ring

SN: 26541103-UP

1шт.

Выбрано товаров: 14