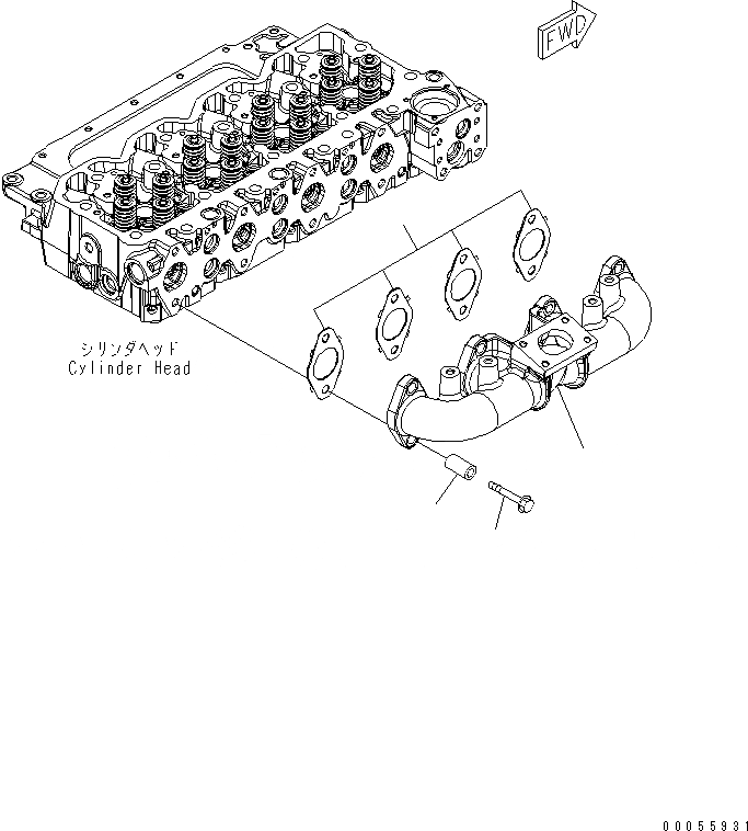
Запчасти Komatsu SAA4D107E-1C-W ВЫПУСКНОЙ КОЛЛЕКТОР ДВИГАТЕЛЬ

Схема запчастей Komatsu SAA4D107E-1C-W - ВЫПУСКНОЙ КОЛЛЕКТОР ДВИГАТЕЛЬ
1
2
3
4
FIT
1:1
100%

Артикул

Название

Примечание

Количество

1

6751-11-5111

MANIFOLD,EXHAUST

SN: 26513365-UP

1шт.

1

0

MANIFOLD,EXHAUST

SN: 26503098-26513364

1шт.

2

6732-11-5860

BOLT

SN: 26503098-UP

8шт.

3

6754-11-5150

SPACER

SN: 26503098-UP

8шт.

4

6754-11-5140

GASKET

SN: 26503098-UP

4шт.

Выбрано товаров: 5