Запчасти Komatsu SAA4D107E-1C-W ТОПЛИВН. ВПРЫСК КОНТРОЛЛЕР КОМПОНЕНТЫ ДВИГАТЕЛЬ

Схема запчастей Komatsu SAA4D107E-1C-W - ТОПЛИВН. ВПРЫСК КОНТРОЛЛЕР КОМПОНЕНТЫ ДВИГАТЕЛЬ
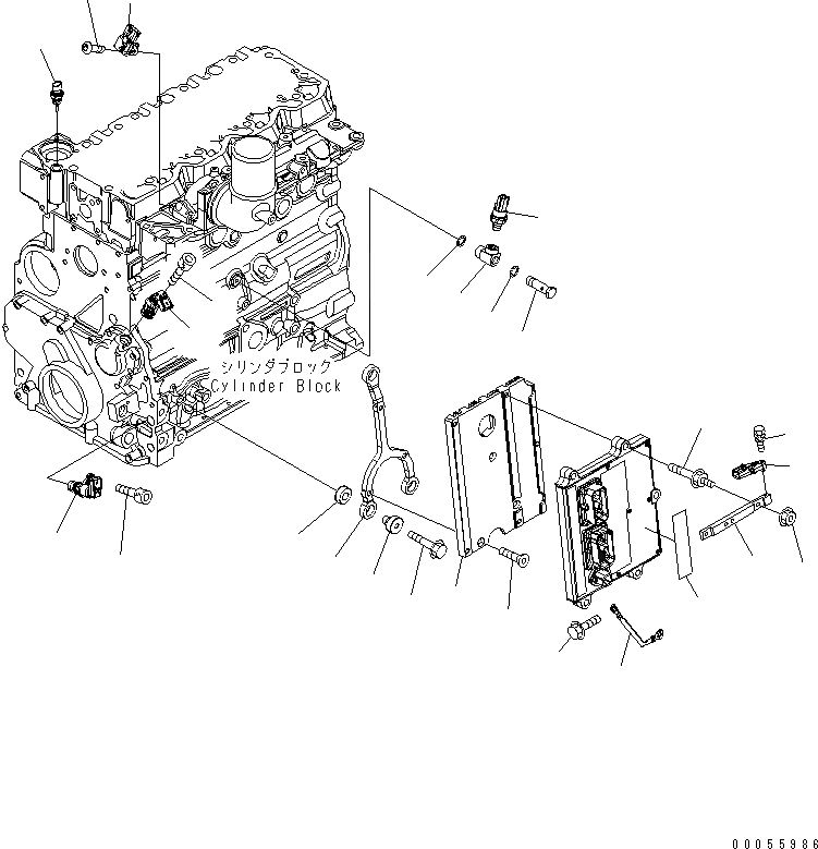
1
1
2
2
3
4
5
6
7
8
9
10
11
12
13
14
15
16
17
18
19
20
21
22
23
23
FIT
1:1
100%

Артикул

Название

Примечание

Количество

1

6271-81-9200

SENSOR,POSITION

SN: 26537860-UP

2шт.

1

6754-81-9200

SENSOR ASS'Y,POSITION

SN: 26503098-26537859

2шт.

1

6754-81-8410

BRACKET

SN: 26537860-UP

1шт.

1

6271-81-9220

O-RING

SN: 26537860-UP

1шт.

1

6261-81-2920

O-RING

SN: 26503098-26537859

1шт.

2

6216-84-9220

BOLT

SN: 26503098-UP

2шт.

3

6754-81-9120

BRACKET

SN: 26503098-UP

1шт.

4

6735-61-2120

BOLT

SN: 26503098-UP

3шт.

5

6754-81-9110

ISOLATOR

SN: 26503098-UP

3шт.

6

6754-81-9130

ISOLATOR

SN: 26503098-UP

3шт.

7

6754-81-9140

SUPPORT

SN: 26503098-UP

1шт.

8

6754-81-9150

BOLT

SN: 26503098-UP

3шт.

9

6754-81-9170

WIRE

SN: 26503098-UP

1шт.

10

6216-74-6180

BOLT

SN: 26503098-UP

1шт.

11

6261-81-1900

SENSOR,PRESSURE

SN: 26503098-UP

1шт.

12

6734-71-5520

BOLT

SN: 26503098-UP

1шт.

13

6744-81-4010

SWITCH,PRESSURE

SN: 26503098-UP

1шт.

13

6219-81-1990

O-RING

SN: 26503098-UP

1шт.

14

6261-81-6901

SENSOR ASS'Y,TEMPERATURE

SN: 26530193-UP

1шт.

14

6261-81-6900

SENSOR ASS'Y,TEMPERATURE

SN: 26503098-26530192

1шт.

14

6216-84-9740

SEAL

SN: 26503098-UP

1шт.

15

6216-84-2130

PLATE

SN: 26508320-UP

1шт.

15

600-460-3000

PLATE

SN: 26503098-26508319

1шт.

16

6754-81-2701

SENSOR ASS'Y,PRS TEMPERATURE

SN: 26503098-UP

1шт.

16

6754-81-2710

O-RING

SN: 26503098-UP

1шт.

17

01584-00605

NUT

SN: 26503098-UP

2шт.

18

6754-81-9180

SCREW

SN: 26503098-UP

1шт.

19

6751-81-9110

BRACKET

SN: 26503098-UP

1шт.

20

6754-81-9160

BOLT

SN: 26503098-UP

5шт.

21

6751-81-2110

ADAPTER

SN: 26503098-UP

1шт.

22

6751-81-9121

BOLT

SN: 26503098-UP

1шт.

23

6751-81-9130

WASHER

SN: 26503098-UP

2шт.

Выбрано товаров: 32