Запчасти Komatsu SAA4D107E-1D ТОПЛИВН. ВПРЫСК ТОПЛИВН. ВПРЫСК

Схема запчастей Komatsu SAA4D107E-1D - ТОПЛИВН. ВПРЫСК ТОПЛИВН. ВПРЫСК
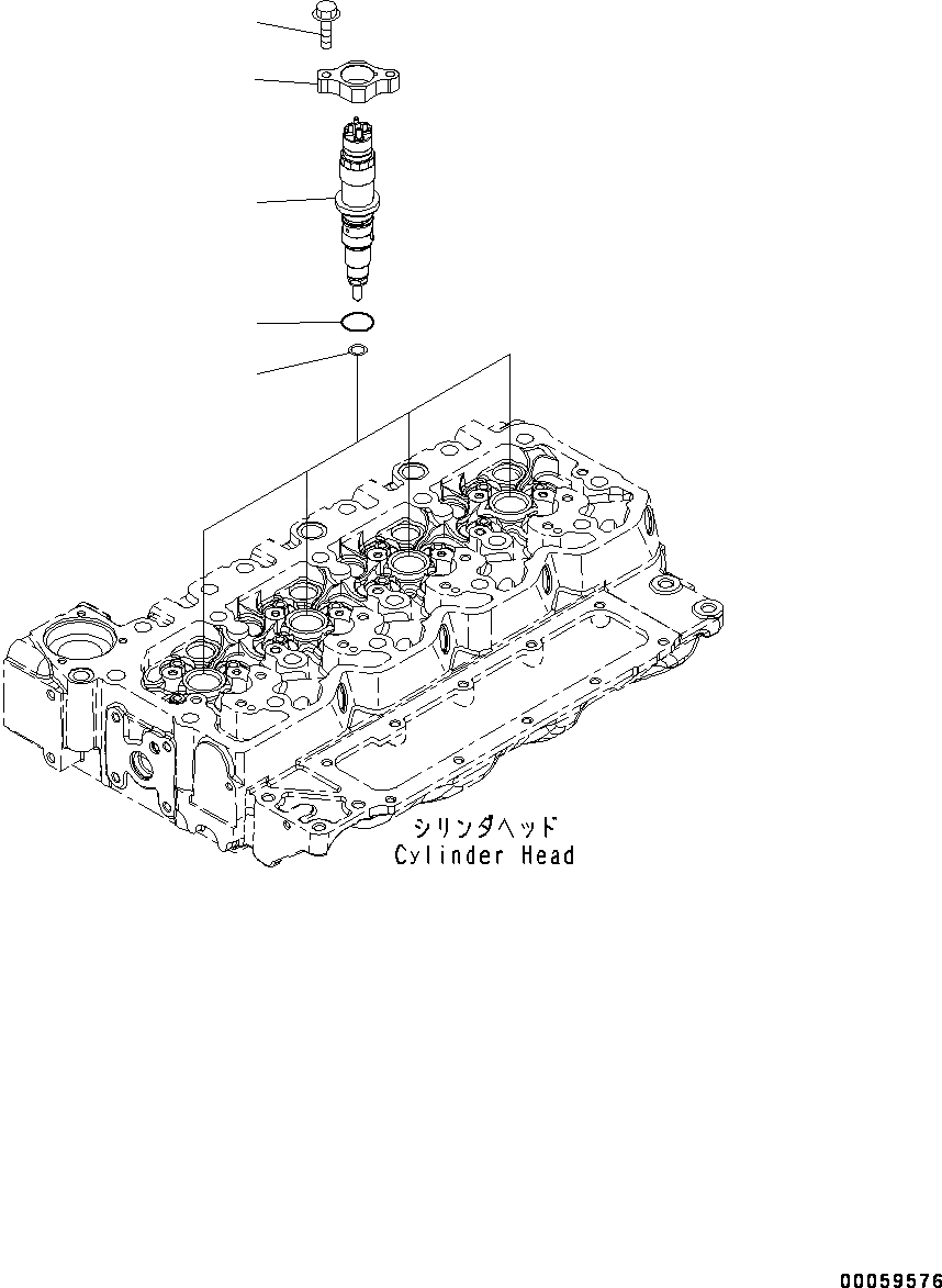
3
4
5
2
1
FIT
1:1
100%

Артикул

Название

Примечание

Количество

|$0

6754-11-3011

Injector Assembly

SN: 21872538-UP

4шт.

1

Clamp

SN: 21872538-UP

1шт.

2

Injector

SN: 21872538-UP

1шт.

3

6754-11-3130

Gasket

SN: 21872538-UP

1шт.

4

6754-11-3140

O-ring

SN: 21872538-UP

1шт.

5

6742-01-2630

Bolt

SN: 21872538-UP

8шт.

Выбрано товаров: 0