Качественные детали и логистика
Оригинальные и аналоговые запчасти с доставкой по России, Казахстану и Беларуси
©2022 PartSell ООО "Система" ИНН 2463123282 ОГРН 1212400004838
Центральный офис: г. Красноярск, Академика Киренского, д.87, пом.4
Телефон: 8 (800) 777-65-74 Email: zakaz@partsell.ru
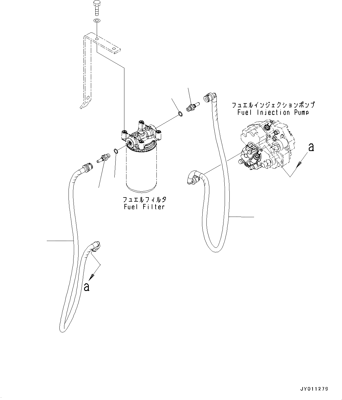
ТОПЛИВН. ФИЛЬТР. ТРУБЫ
№
Артикул
Название
Примечание
Количество
1
6754-71-5340
Connector
SN: 21872538-UP
2шт.
2
6754-71-5350
Washer
3
6751-71-9910
Hose
1шт.
4
6751-71-9970
Выбрано товаров: 0