Запчасти Komatsu SAA4D107E-1D ТОПЛ. НАСОС, СЕВ. АМЕРИКА EPA 3 REGULATIONS, ЕС ВЫПУСКН. EMISSIONS 3 REGULATIONS ТОПЛ. НАСОС, СЕВ. АМЕРИКА EPA 3 REGULATIONS, ЕС ВЫПУСКН. EMISSIONS 3 REGULATIONS

Схема запчастей Komatsu SAA4D107E-1D - ТОПЛ. НАСОС, СЕВ. АМЕРИКА EPA 3 REGULATIONS, ЕС ВЫПУСКН. EMISSIONS 3 REGULATIONS ТОПЛ. НАСОС, СЕВ. АМЕРИКА EPA 3 REGULATIONS, ЕС ВЫПУСКН. EMISSIONS 3 REGULATIONS
4
1
7
8
2
3
9
6
5
12
10
11
FIT
1:1
100%

Артикул

Название

Примечание

Количество

|$0

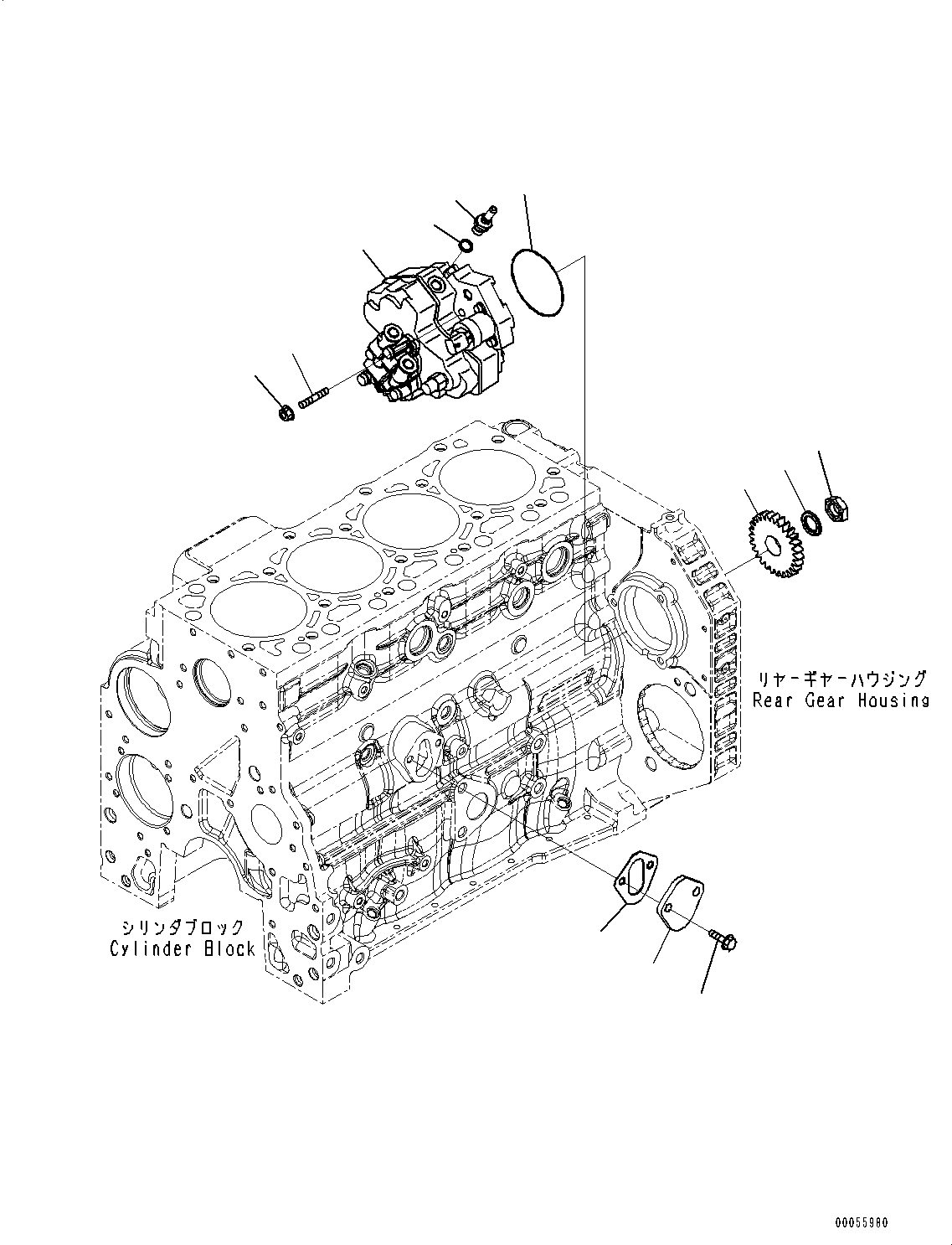
6754-72-1011

Pump Assembly

SN: 21872538-UP

1шт.

1

6754-71-1320

O-ring

SN: 21872538-UP

1шт.

2

6754-71-1330

Connector

SN: 21872538-UP

1шт.

3

6754-71-5350

Washer

SN: 21872538-UP

1шт.

4

6754-72-1020

Pump

SN: 21872538-UP

1шт.

5

6754-71-1340

Nut

SN: 21872538-UP

1шт.

6

6754-71-1350

Washer, Spring

SN: 21872538-UP

1шт.

7

6754-71-3130

Stud

SN: 21872538-UP

3шт.

8

6732-71-3210

Nut

SN: 21872538-UP

3шт.

9

6754-71-3110

Gear

SN: 21872538-UP

1шт.

10

6736-71-5811

Plate

SN: 21872538-UP

1шт.

11

6735-61-6411

Gasket

SN: 21872538-UP

1шт.

12

6732-71-3220

Bolt

SN: 21872538-UP

2шт.

Выбрано товаров: 13