Запчасти Komatsu SAA4D107E-1D МАСЛОПРОВОДЯЩИЕ ТРУБКИ ТУРБОНАГНЕТАТЕЛЯ МАСЛОПРОВОДЯЩИЕ ТРУБКИ ТУРБОНАГНЕТАТЕЛЯ

Схема запчастей Komatsu SAA4D107E-1D - МАСЛОПРОВОДЯЩИЕ ТРУБКИ ТУРБОНАГНЕТАТЕЛЯ МАСЛОПРОВОДЯЩИЕ ТРУБКИ ТУРБОНАГНЕТАТЕЛЯ
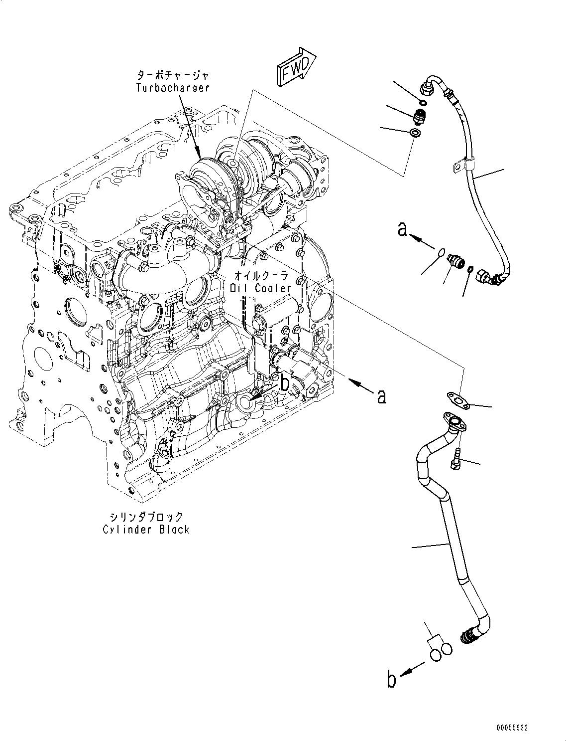
9
10
11
6
7
8
5
4
3
2
1
FIT
1:1
100%

Артикул

Название

Примечание

Количество

|$0

6751-51-8200

Tube Assembly

SN: 21872538-UP

1шт.

1

6751-51-8130

Tube

SN: 21872538-UP

1шт.

2

6732-51-8330

O-ring

SN: 21872538-UP

2шт.

3

6216-84-9220

Bolt

SN: 21872538-UP

2шт.

4

6751-51-7690

Gasket

SN: 21872538-UP

1шт.

5

6751-51-8220

Hose

SN: 21872538-UP

1шт.

5

6732-51-8180

Connector Assembly

SN: 21872538-UP

1шт.

6

6736-51-8710

O-ring

SN: 21872538-UP

1шт.

7

6732-81-8850

Connector

SN: 21872538-UP

1шт.

8

6732-81-8860

O-ring

SN: 21872538-UP

1шт.

8

6751-51-8180

Connector Assembly

SN: 21872538-UP

1шт.

9

6737-51-8760

Washer

SN: 21872538-UP

1шт.

10

6732-51-8280

Connector

SN: 21872538-UP

1шт.

11

6732-81-8860

O-ring

SN: 21872538-UP

1шт.

Выбрано товаров: 14