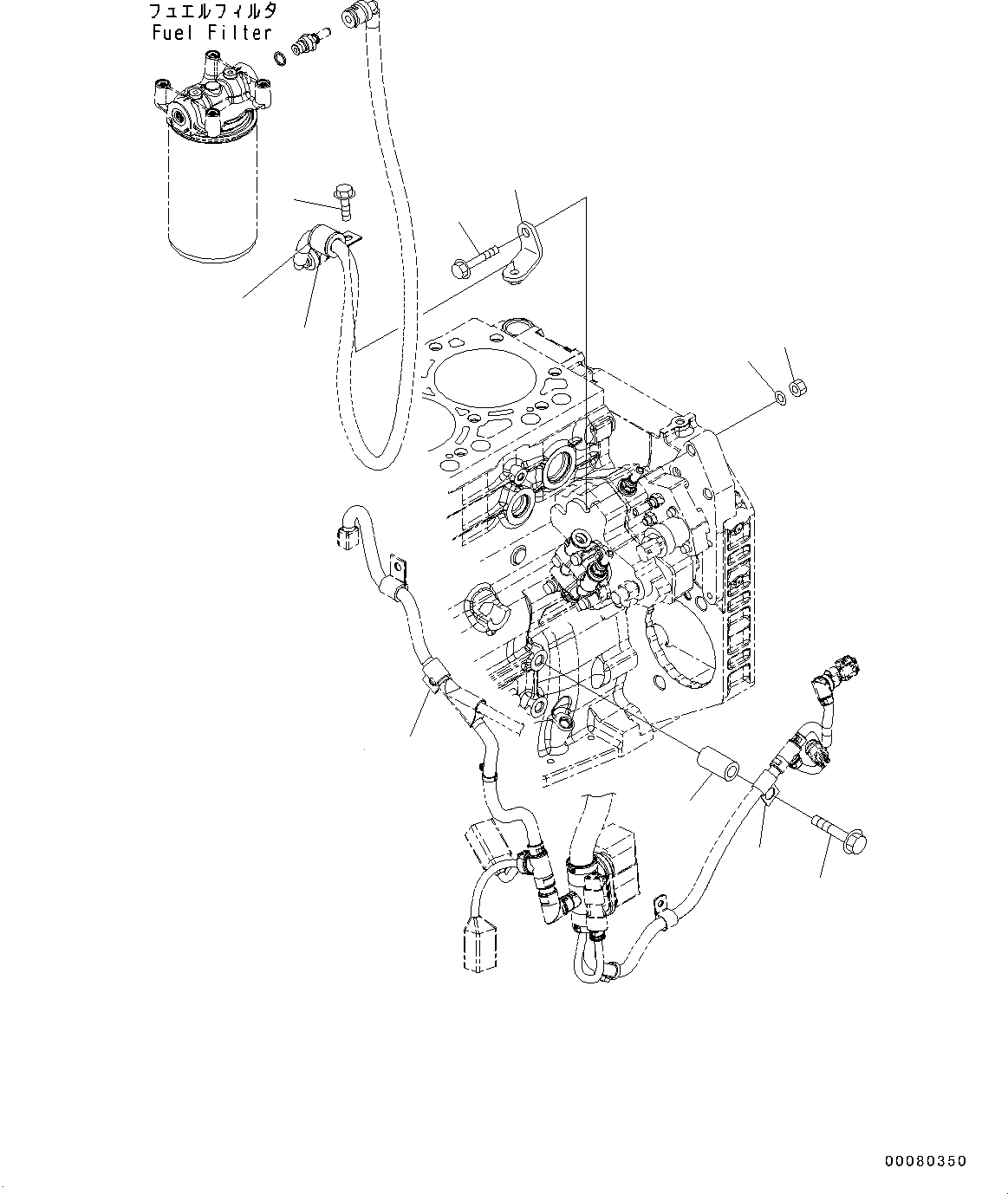
Запчасти Komatsu SAA4D107E-1D ТОПЛИВН. ФИЛЬТР. КРЕПЛЕНИЕS (№77-) ТОПЛИВН. ФИЛЬТР. КРЕПЛЕНИЕS

Схема запчастей Komatsu SAA4D107E-1D - ТОПЛИВН. ФИЛЬТР. КРЕПЛЕНИЕS (№77-) ТОПЛИВН. ФИЛЬТР. КРЕПЛЕНИЕS
1
2
3
4
5
6
7
10
9
8
11
FIT
1:1
100%

Артикул

Название

Примечание

Количество

1

6751-71-5490

Bracket

SN: 26527701-UP

1шт.

2

04434-52108

Clip

SN: 26527701-UP

1шт.

3

07095-20314

Cushion

SN: 26527701-UP

1шт.

4

01435-00816

Bolt

SN: 26527701-UP

1шт.

5

01435-01050

Bolt

SN: 26527701-UP

1шт.

6

01580-01008

Nut

SN: 26527701-UP

1шт.

7

01643-31032

Washer

SN: 26527701-UP

1шт.

8

04434-51312

Clip

SN: 26527701-UP

1шт.

9

6206-11-4490

Spacer

SN: 26527701-UP

1шт.

10

01435-01255

Bolt

SN: 26527701-UP

1шт.

11

6751-81-8240

Clip

SN: 26527701-UP

1шт.

Выбрано товаров: 0