Запчасти Komatsu SAA4D107E-1D ДВИГАТЕЛЬ МАСЛ. ФИЛЬТР (№77-8) ДВИГАТЕЛЬ МАСЛ. ФИЛЬТР

Схема запчастей Komatsu SAA4D107E-1D - ДВИГАТЕЛЬ МАСЛ. ФИЛЬТР (№77-8) ДВИГАТЕЛЬ МАСЛ. ФИЛЬТР
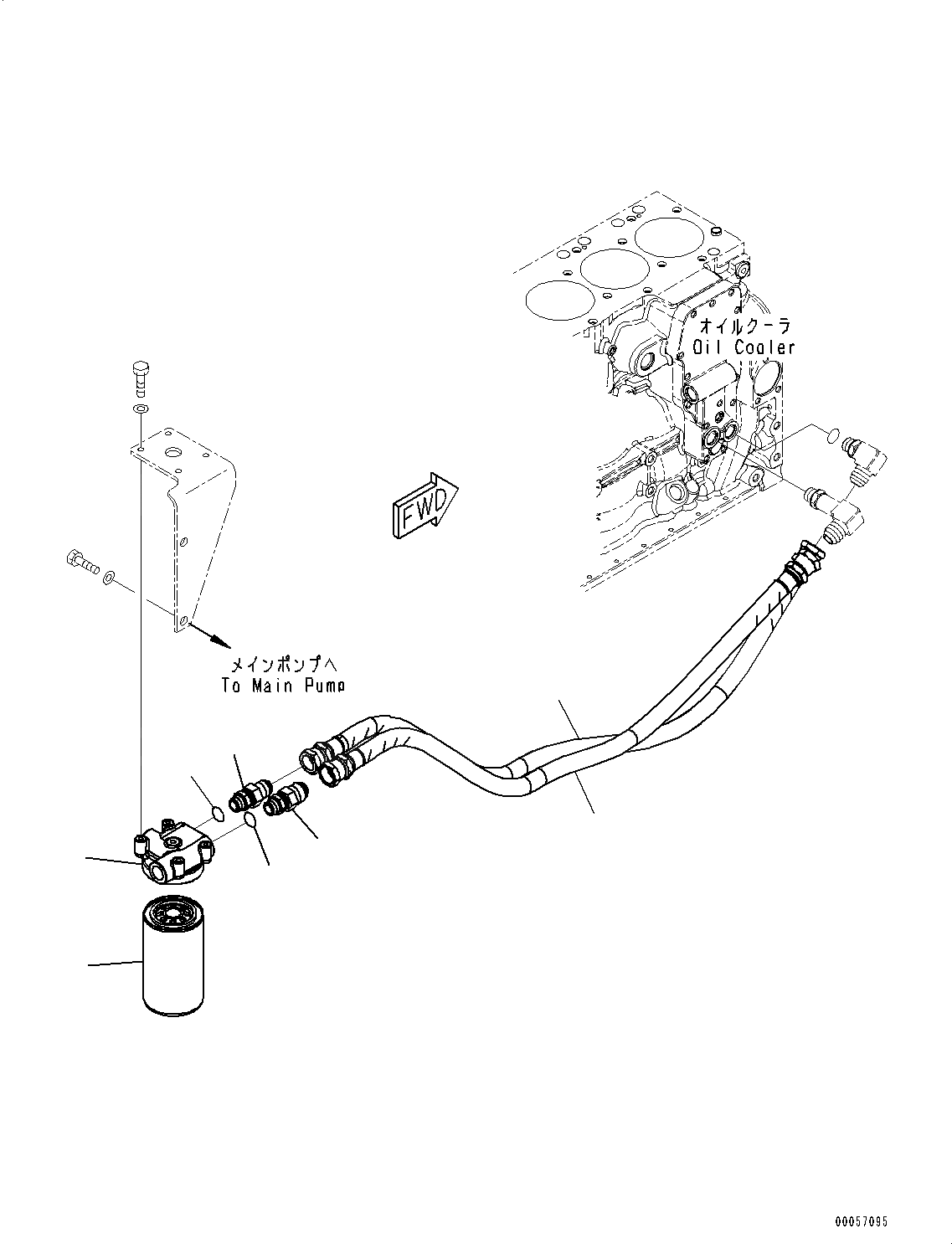
1
5
2
3
4
7
8
6
FIT
1:1
100%

Артикул

Название

Примечание

Количество

1

6754-52-5310

Head

SN: 26527701-26585150

1шт.

2

6731-51-5260

Nipple

SN: 26527701-26585150

1шт.

3

6731-51-5290

O-ring

SN: 26527701-26585150

1шт.

4

6738-51-5260

Nipple

SN: 26527701-26585150

1шт.

5

6731-51-5290

O-ring

SN: 26527701-26585150

1шт.

6

6736-51-5142

Cartridge

SN: 26527701-26585150

1шт.

7

6737-51-9810

Hose

SN: 26527701-26585150

1шт.

8

6737-51-9910

Hose

SN: 26527701-26585150

1шт.

Выбрано товаров: 8