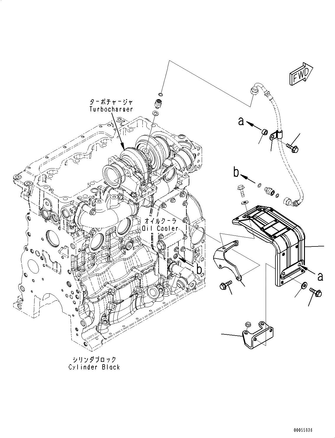
Запчасти Komatsu SAA4D107E-1D ТЕРМОЗАЩИТА, ТУРБОНАГНЕТАТЕЛЬ

Схема запчастей Komatsu SAA4D107E-1D - ТЕРМОЗАЩИТА, ТУРБОНАГНЕТАТЕЛЬ
2
3
5
9
8
6
4
1
7
FIT
1:1
100%

Артикул

Название

Примечание

Количество

1

6732-81-8412

Cover

SN: 36399067-UP

1шт.

2

6151-51-8540

Clip

SN: 36399067-UP

1шт.

3

01435-00825

Bolt

SN: 36399067-UP

1шт.

4

154-61-16570

Washer

SN: 36399067-UP

3шт.

5

6754-81-9330

Spacer

SN: 36399067-UP

1шт.

6

6736-21-5310

Bolt

SN: 36399067-UP

3шт.

7

6751-11-2161

Cover

SN: 36399067-UP

1шт.

8

6751-11-2171

Cover

SN: 36399067-UP

1шт.

9

01435-00840

Bolt

SN: 36399067-UP

2шт.

Выбрано товаров: 9