Запчасти Komatsu SAA4D107E-1E ДВИГАТЕЛЬ МАСЛ. ФИЛЬТР (№98-) ДВИГАТЕЛЬ МАСЛ. ФИЛЬТР

Схема запчастей Komatsu SAA4D107E-1E - ДВИГАТЕЛЬ МАСЛ. ФИЛЬТР (№98-) ДВИГАТЕЛЬ МАСЛ. ФИЛЬТР
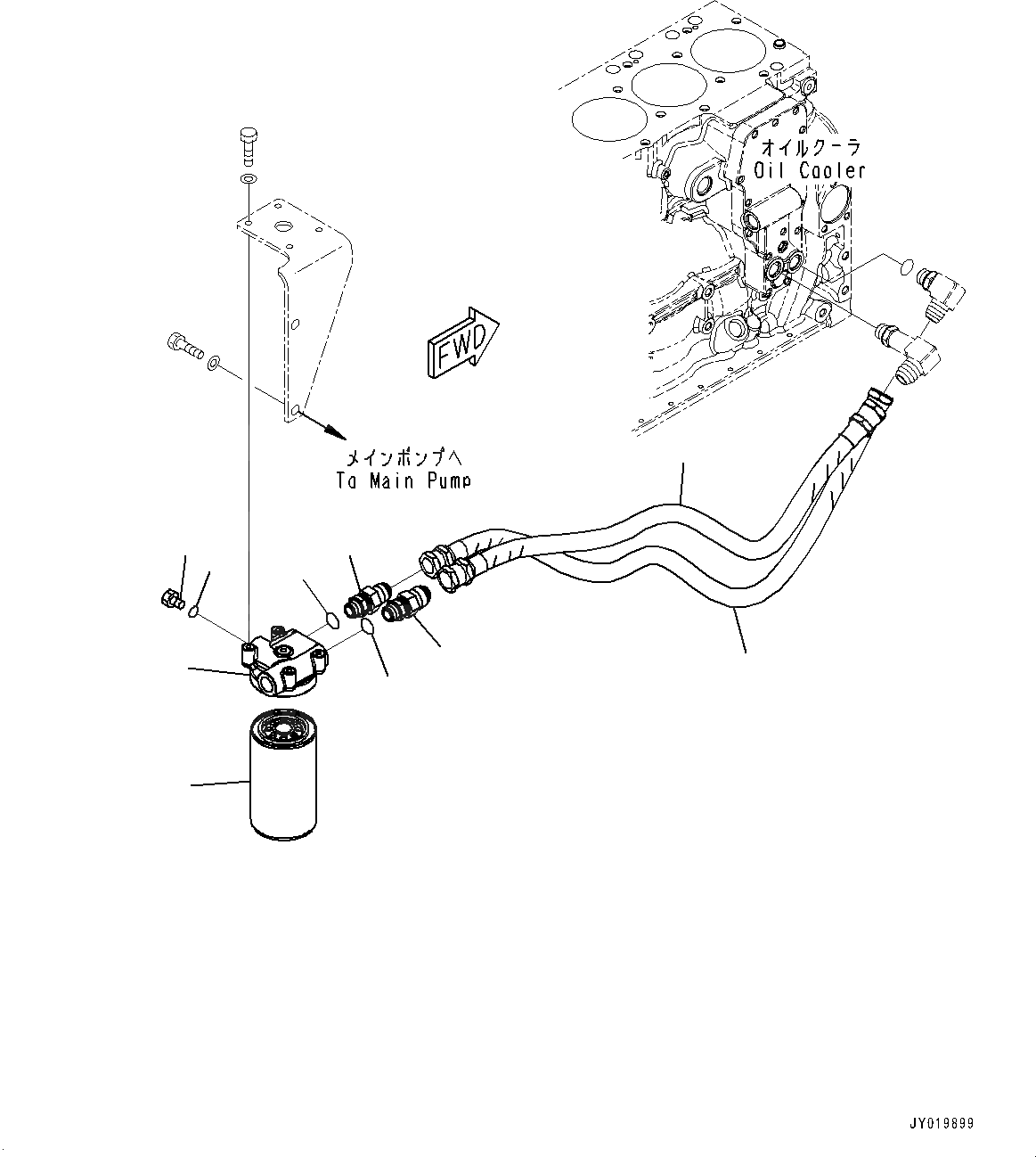
1
5
2
3
4
6
10
9
7
8
FIT
1:1
100%

Артикул

Название

Примечание

Количество

1

6754-52-5330

Head Assembly

SN: 26590368-UP

1шт.

2

6731-51-5260

Nipple

SN: 26590368-UP

1шт.

3

6731-51-5290

O-ring

SN: 26590368-UP

1шт.

4

6738-51-5260

Nipple

SN: 26590368-UP

1шт.

5

6731-51-5290

O-ring

SN: 26590368-UP

1шт.

6

6736-51-5142

Cartridge

SN: 26590368-UP

1шт.

7

6751-51-9921

Hose

SN: 26590368-UP

1шт.

8

6751-51-9911

Hose

SN: 26590368-UP

1шт.

9

07040-12412

Plug

SN: 26590368-UP

1шт.

10

07002-22434

O-ring

SN: 26590368-UP

1шт.

Выбрано товаров: 10