Запчасти Komatsu SAA4D107E-1E ДВИГАТЕЛЬ МАСЛООХЛАДИТЕЛЬ (№8-) ДВИГАТЕЛЬ МАСЛООХЛАДИТЕЛЬ

Схема запчастей Komatsu SAA4D107E-1E - ДВИГАТЕЛЬ МАСЛООХЛАДИТЕЛЬ (№8-) ДВИГАТЕЛЬ МАСЛООХЛАДИТЕЛЬ
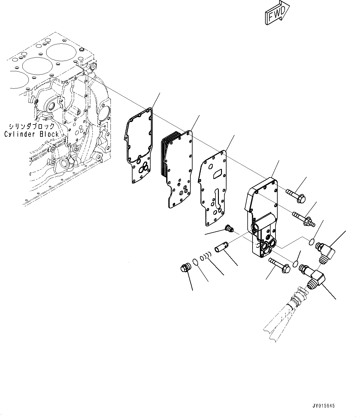
16
14
13
12
11
10
9
7
6
5
4
3
2
1
8
15
FIT
1:1
100%

Артикул

Название

Примечание

Количество

1

6754-61-2220

Cover, Oil Cooler

SN: 26554518-UP

1шт.

2

6735-61-2140

Plug

SN: 26554518-UP

1шт.

3

6735-61-2160

Plunger

SN: 26554518-UP

1шт.

4

6735-61-2190

Spring

SN: 26554518-UP

1шт.

5

6732-51-4420

O-ring

SN: 26554518-UP

1шт.

6

6731-61-2151

Valve

SN: 26554518-UP

1шт.

7

6731-51-5250

Elbow

SN: 26554518-UP

1шт.

8

6731-51-5290

O-ring

SN: 26554518-UP

1шт.

9

6738-51-5240

Elbow

SN: 26554518-UP

1шт.

10

6731-51-5290

O-ring

SN: 26554518-UP

1шт.

11

6754-51-4440

Gasket

SN: 26554518-UP

1шт.

12

6754-61-2110

Core, Cooler

SN: 26554518-UP

1шт.

13

6754-61-2320

Gasket

SN: 26554518-UP

1шт.

14

6735-61-2120

Bolt

SN: 26554518-UP

7шт.

15

6754-81-9161

Bolt

SN: 26573553-UP

4шт.

15

6754-81-9160

Bolt

SN: 26554518-26573552

4шт.

16

6736-21-3230

Bolt

SN: 26554518-UP

4шт.

Выбрано товаров: 17