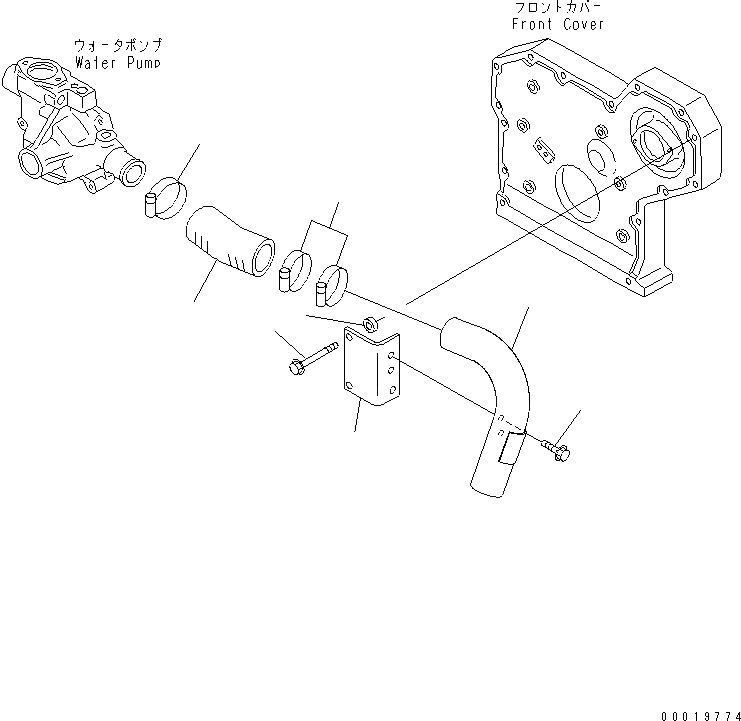
Запчасти Komatsu SAA4D95LE-3B-4A ВОДН. ГИДРОЛИНИЯ(№7-) ДВИГАТЕЛЬ

Схема запчастей Komatsu SAA4D95LE-3B-4A - ВОДН. ГИДРОЛИНИЯ(№7-) ДВИГАТЕЛЬ
1
2
3
4
5
6
7
7
FIT
1:1
100%

Артикул

Название

Примечание

Количество

1

6208-21-6910

BRACKET

SN: 101744-UP

1шт.

2

6130-12-1961

SPACER

SN: 101744-UP

2шт.

3

01435-00875

BOLT

SN: 101744-UP

2шт.

4

6208-61-6120

CONNECTOR

SN: 101744-UP

1шт.

5

01435-00820

BOLT

SN: 101744-UP

2шт.

6

6208-61-6110

HOSE

SN: 101744-UP

1шт.

7

07281-00609

CLAMP

SN: 101744-UP

3шт.

Выбрано товаров: 7