Запчасти Komatsu SAA4D95LE-5A УПРАВЛ-Е ДВИГАТЕЛЕМ MODULE ДВИГАТЕЛЬ

Схема запчастей Komatsu SAA4D95LE-5A - УПРАВЛ-Е ДВИГАТЕЛЕМ MODULE ДВИГАТЕЛЬ
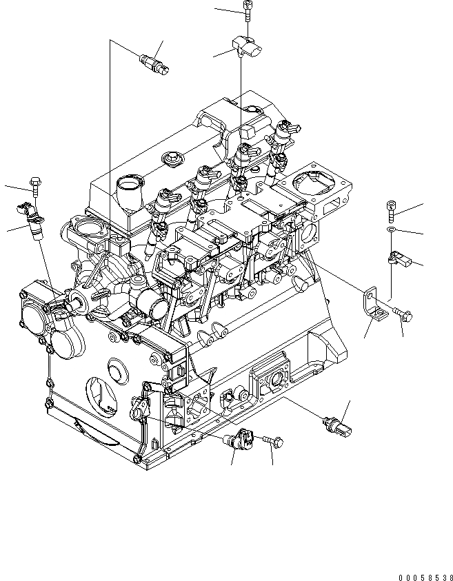
1
2
3
4
5
6
7
8
9
10
11
12
13
FIT
1:1
100%

Артикул

Название

Примечание

Количество

1

6261-81-2600

SENSOR,ATMOSPHERE PRESSER

SN: 500001-UP

1шт.

2

01252-60516

BOLT

SN: 500001-UP

1шт.

3

01640-20508

WASHER

SN: 500001-UP

1шт.

4

6271-81-8990

BRACKET

SN: 500001-UP

1шт.

5

01435-01016

BOLT

SN: 500001-UP

1шт.

6

6271-81-1910

SENSOR,BOOST PRESS & TEMP

SN: 500001-UP

1шт.

7

01252-60616

BOLT

SN: 500001-UP

1шт.

8

6271-81-9200

SENSOR,SPEED

SN: 500001-UP

1шт.

9

01435-00820

BOLT

SN: 500001-UP

1шт.

10

6261-81-2901

SENSOR,SPEED

SN: 500001-UP

1шт.

11

01435-00820

BOLT

SN: 500001-UP

1шт.

12

6261-81-6900

SENSOR,WATER TEMP.

SN: 500001-UP

1шт.

13

6271-81-1940

SWITCH,PRESSURE

SN: 500001-UP

1шт.

Выбрано товаров: 13