Качественные детали и логистика
Оригинальные и аналоговые запчасти с доставкой по России, Казахстану и Беларуси
©2022 PartSell ООО "Система" ИНН 2463123282 ОГРН 1212400004838
Центральный офис: г. Красноярск, Академика Киренского, д.87, пом.4
Телефон: 8 (800) 777-65-74 Email: zakaz@partsell.ru
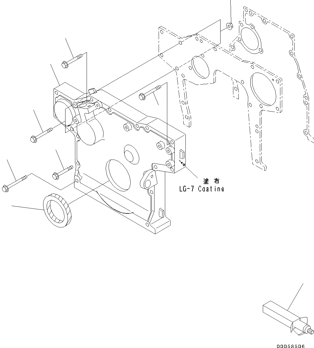
ПЕРЕДН. COVER
№
Артикул
Название
Примечание
Количество
1
6271-21-3110
Cover,Front
SN: 26501795-UP
1шт.
2
6204-21-3530
Seal, Front,Front
SN: 26508990-UP
3
01435-00855
Bolt
6шт.
4
01435-00860
5
01435-00870
2шт.
6
01584-00806
Nut
7
09920-00150
Liquid gasket, LG-7, 150G
-2шт.
Выбрано товаров: 0