Качественные детали и логистика
Оригинальные и аналоговые запчасти с доставкой по России, Казахстану и Беларуси
©2022 PartSell ООО "Система" ИНН 2463123282 ОГРН 1212400004838
Центральный офис: г. Красноярск, Академика Киренского, д.87, пом.4
Телефон: 8 (800) 777-65-74 Email: zakaz@partsell.ru
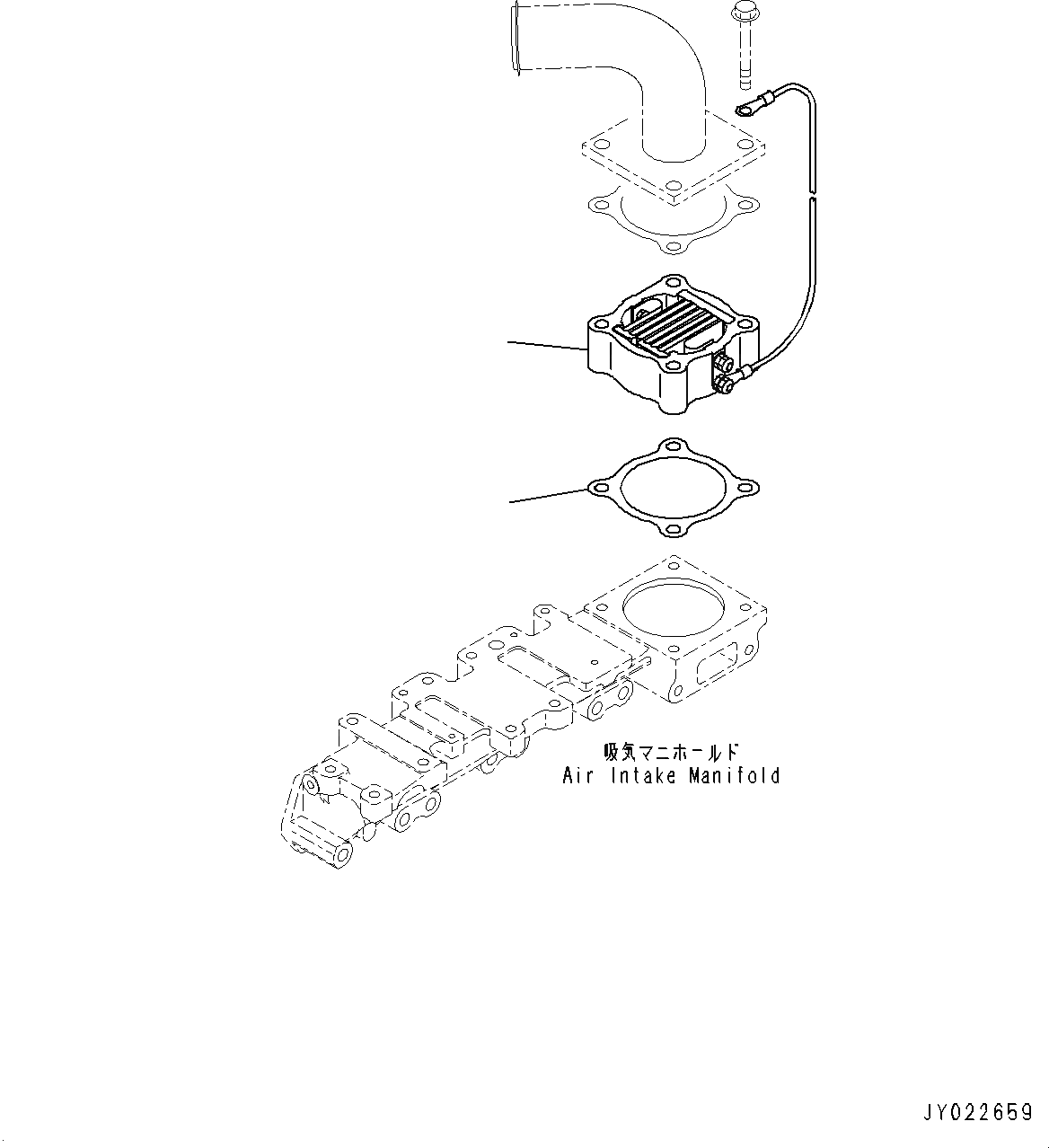
ПОДОГРЕВАТЕЛЬ ВПУСКА ВОЗДУХА (№79-)
№
Артикул
Название
Примечание
Количество
1
600-815-9140
Heater, Ribbon
SN: 509868-UP
1шт.
600-815-2341
SN: 501795-509867
2
6204-11-4850
Gasket
SN: 501795-UP
Выбрано товаров: 0