Запчасти Komatsu SAA4D95LE-5E ВОДЯНАЯ ПОМПА (№7-) ВОДЯНАЯ ПОМПА

Схема запчастей Komatsu SAA4D95LE-5E - ВОДЯНАЯ ПОМПА (№7-) ВОДЯНАЯ ПОМПА
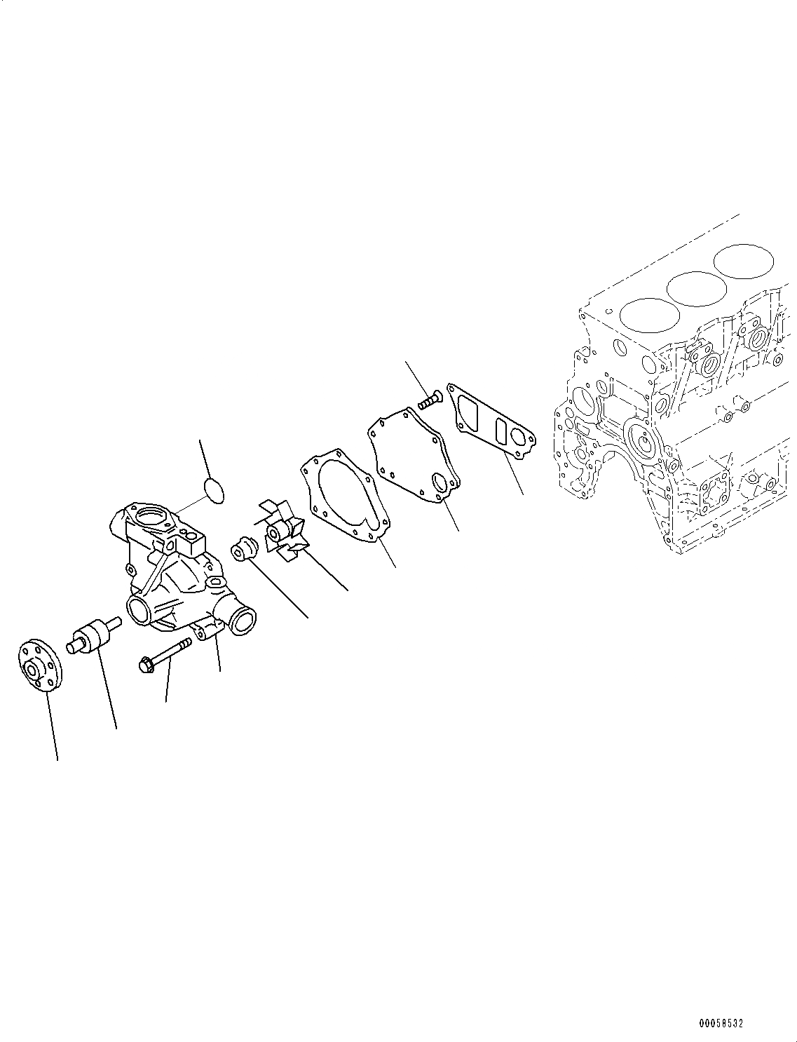
9
10
11
8
7
6
5
4
3
2
1
FIT
1:1
100%

Артикул

Название

Примечание

Количество

|$0

6205-61-1203

Water Pump Assembly

SN: 528938-UP

1шт.

|$1

6205-61-1202

Water Pump Assembly

SN: 502711-528937

1шт.

1

Body

SN: 502711-UP

1шт.

2

6204-61-1630

Impeller

SN: 502711-UP

1шт.

3

6271-61-1520

Seal

SN: 528938-UP

1шт.

3

6221-61-1520

Seal

SN: 502711-528937

1шт.

4

6204-61-1650

Shaft

SN: 502711-UP

1шт.

5

6205-61-1210

Boss

SN: 502711-UP

1шт.

6

6206-61-1121

Cover

SN: 502711-UP

1шт.

7

6204-61-1660

Gasket

SN: 502711-UP

1шт.

8

01236-40816

Screw

SN: 502711-UP

5шт.

9

6206-61-1731

Gasket

SN: 502711-UP

1шт.

10

07000-03040

O-ring

SN: 502711-UP

1шт.

11

01435-00855

Bolt

SN: 502711-UP

3шт.

Выбрано товаров: 14