Запчасти Komatsu SAA4D95LE-6A ВЫПУСКН. GAS RE-CIRCULATION (EGR) ОХЛАДИТЕЛЬ ВОДН. ГИДРОЛИНИЯ (№7-) ВЫПУСКН. GAS RE-CIRCULATION (EGR) ОХЛАДИТЕЛЬ ВОДН. ГИДРОЛИНИЯ

Схема запчастей Komatsu SAA4D95LE-6A - ВЫПУСКН. GAS RE-CIRCULATION (EGR) ОХЛАДИТЕЛЬ ВОДН. ГИДРОЛИНИЯ (№7-) ВЫПУСКН. GAS RE-CIRCULATION (EGR) ОХЛАДИТЕЛЬ ВОДН. ГИДРОЛИНИЯ
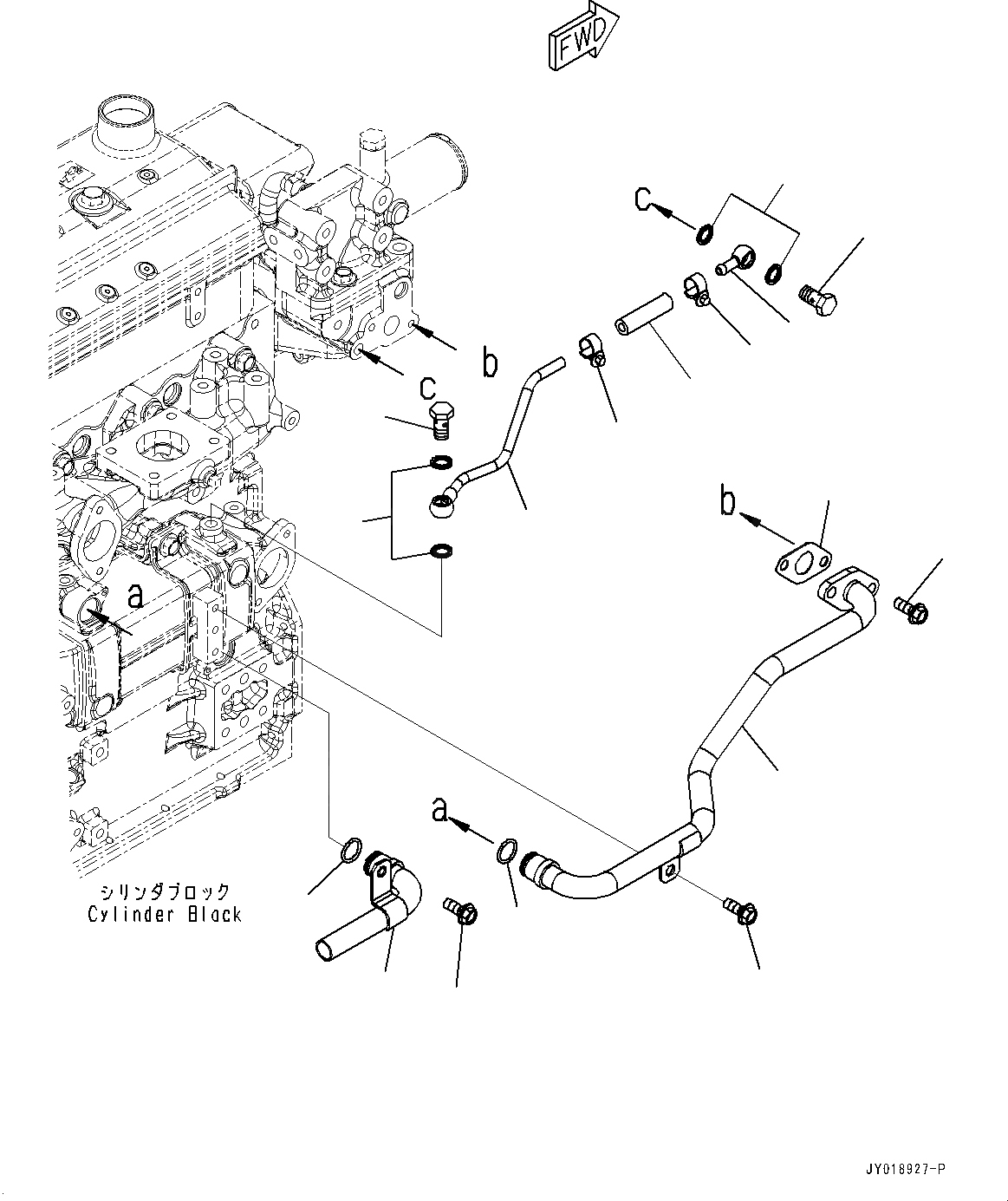
2
1
3
5
6
8
9
4
7
10
11
12
13
14
13
14
12
FIT
1:1
100%

Артикул

Название

Примечание

Количество

1

6275-61-7250

Tube

SN: 700006-UP

1шт.

2

07000-A2018

O-ring

SN: 700006-UP

1шт.

3

01435-00814

Bolt

SN: 700006-UP

1шт.

4

6275-61-7260

Tube

SN: 700006-UP

1шт.

5

07000-A2018

O-ring

SN: 700006-UP

1шт.

6

6138-61-6560

Gasket

SN: 700006-UP

1шт.

7

01435-00814

Bolt

SN: 700006-UP

1шт.

8

01435-00820

Bolt

SN: 700006-UP

2шт.

9

6275-61-7270

Tube

SN: 700006-UP

1шт.

10

6275-61-7280

Joint

SN: 700006-UP

1шт.

11

6275-61-7290

Hose

SN: 700006-UP

1шт.

12

07281-00167

Clamp

SN: 700006-UP

2шт.

13

07206-30812

Bolt, Joint

SN: 700006-UP

2шт.

14

07005-01212

Seal, Washer

SN: 700006-UP

4шт.

Выбрано товаров: 14