Запчасти Komatsu SAA4D95LE-6A ДВИГАТЕЛЬ МАСЛООХЛАДИТЕЛЬ (№7-) ДВИГАТЕЛЬ МАСЛООХЛАДИТЕЛЬ

Схема запчастей Komatsu SAA4D95LE-6A - ДВИГАТЕЛЬ МАСЛООХЛАДИТЕЛЬ (№7-) ДВИГАТЕЛЬ МАСЛООХЛАДИТЕЛЬ
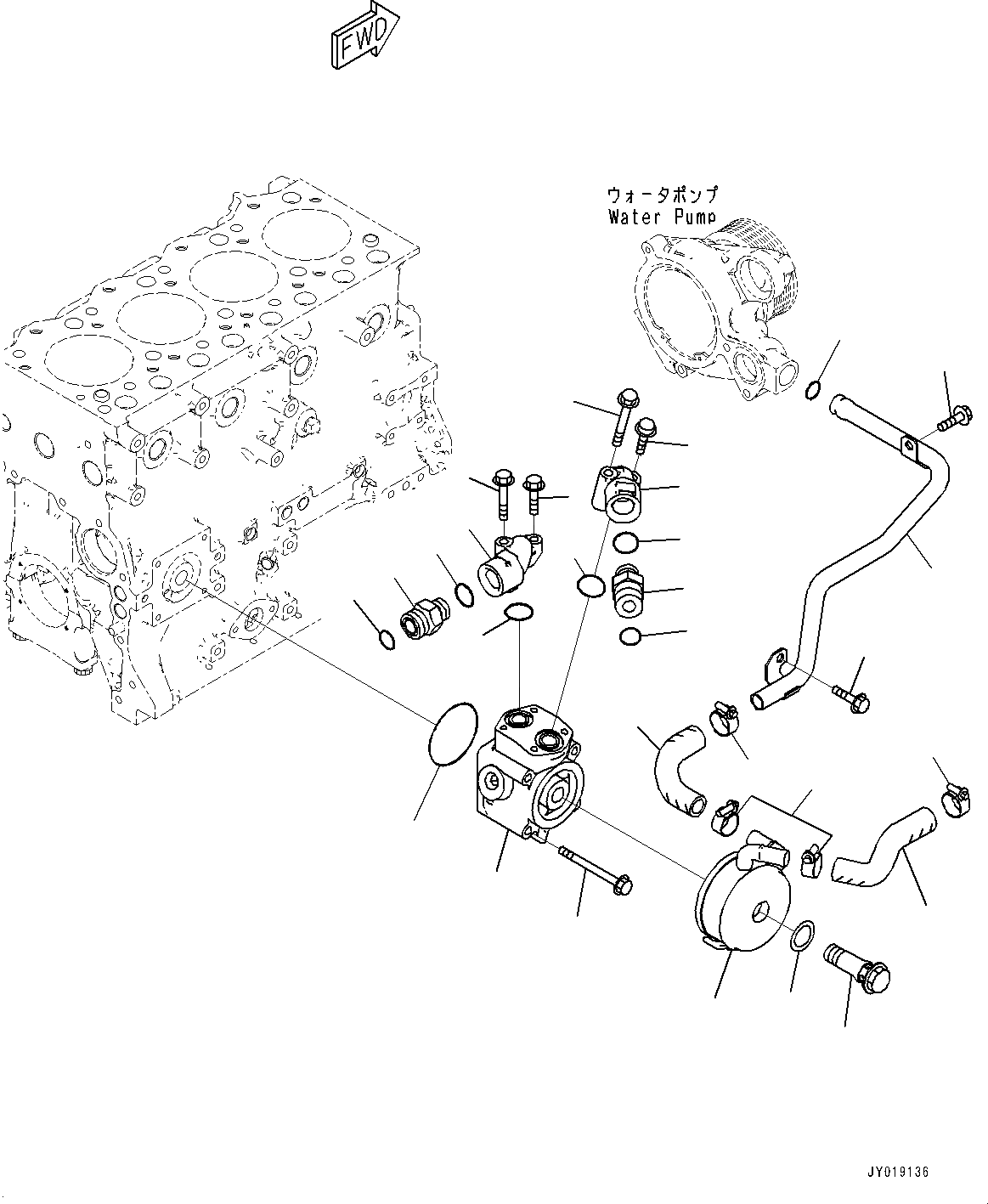
1
2
3
4
5
6
7
8
9
10
11
12
13
14
15
16
17
19
19
20
21
22
23
24
24
23
14
17
18
FIT
1:1
100%

Артикул

Название

Примечание

Количество

1

6205-51-5400

Adapter Assembly

SN: 700006-UP

1шт.

2

01435-00880

Bolt

SN: 700006-UP

4шт.

3

6275-51-5910

Connector

SN: 700006-UP

1шт.

4

01435-00830

Bolt

SN: 700006-UP

1шт.

5

01435-00850

Bolt

SN: 700006-UP

1шт.

6

6275-51-5920

Connector

SN: 700006-UP

1шт.

7

01435-00830

Bolt

SN: 700006-UP

1шт.

8

01435-00865

Bolt

SN: 700006-UP

1шт.

9

6275-61-5200

Oil Cooler Assembly

SN: 700006-UP

1шт.

10

6208-61-5420

Gasket

SN: 700006-UP

1шт.

11

6208-61-5410

Joint

SN: 700006-UP

1шт.

12

6275-61-7210

Tube

SN: 700006-UP

1шт.

13

07000-A2018

O-ring

SN: 700006-UP

1шт.

14

01435-00814

Bolt

SN: 700006-UP

2шт.

15

6275-61-7310

Hose

SN: 700006-UP

1шт.

16

6275-61-7320

Hose

SN: 700006-UP

1шт.

17

07281-00289

Clamp

SN: 700006-UP

2шт.

18

07281-00259

Clamp

SN: 700006-UP

2шт.

19

07000-73025

O-ring

SN: 700006-UP

2шт.

20

07000-72070

O-ring

SN: 700006-UP

1шт.

21

02781-00628

Union

SN: 700006-UP

1шт.

22

07230-20628

Union

SN: 700006-UP

1шт.

23

07002-62434

O-ring

SN: 700006-UP

2шт.

24

02896-61018

O-ring

SN: 700006-UP

2шт.

Выбрано товаров: 24