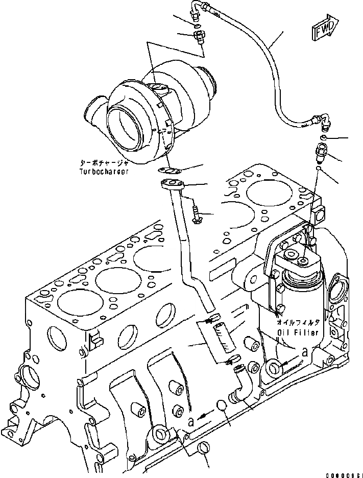
Запчасти Komatsu SAA6D102E-2 МАСЛОПРОВОДЯЩИЕ ТРУБКИ ТУРБОНАГНЕТАТЕЛЯ (№878-7) ДВИГАТЕЛЬ

Схема запчастей Komatsu SAA6D102E-2 - МАСЛОПРОВОДЯЩИЕ ТРУБКИ ТУРБОНАГНЕТАТЕЛЯ (№878-7) ДВИГАТЕЛЬ
3
13
9
5
2
8
1
10
12
11
7
4
8
6
FIT
1:1
100%

Артикул

Название

Примечание

Количество

1

6736-21-6110

HOSE

SN: 30380718-36037660

1шт.

2

6732-51-8480

VALVE, CHECK

SN: 30380718-36037660

1шт.

|2

0

O-RING

SN: 30380718-36037660

1шт.

|2

0

BALL, VALVE

SN: 30380718-36037660

1шт.

|2

0

ADAPTER

SN: 30380718-36037660

1шт.

|2

0

RETAINER

SN: 30380718-36037660

1шт.

3

6732-71-3220

BOLT

SN: 30380718-36037660

2шт.

4

6736-51-8130

HOSE

SN: 30380718-36037660

1шт.

5

6736-51-8710

O-RING (K1)

SN: 30380718-36037660

1шт.

6

6736-51-8140

CONNECTOR ASS'Y

SN: 30380718-36037660

1шт.

|6

0

O-RING

SN: 30380718-36037660

1шт.

|6

0

CONNECTOR

SN: 30380718-36037660

1шт.

7

6735-21-5530

PLUG

SN: 30380718-36037660

1шт.

8

6736-51-8730

WASHER

SN: 30380718-36037660

2шт.

9

6735-51-8180

GASKET

SN: 30380718-36037660

1шт.

10

6734-71-5170

CLAMP

SN: 30380718-36037660

2шт.

11

6731-51-8150

O-RING

SN: 30380718-36037660

1шт.

12

6731-51-8170

TUBE

SN: 30380718-36037660

1шт.

13

6731-51-8190

TUBE, OIL

SN: 30380718-36037660

1шт.

Выбрано товаров: 19