Запчасти Komatsu SAA6D102E-2 ГОЛОВКА ЦИЛИНДРОВ ДВИГАТЕЛЬ

Схема запчастей Komatsu SAA6D102E-2 - ГОЛОВКА ЦИЛИНДРОВ ДВИГАТЕЛЬ
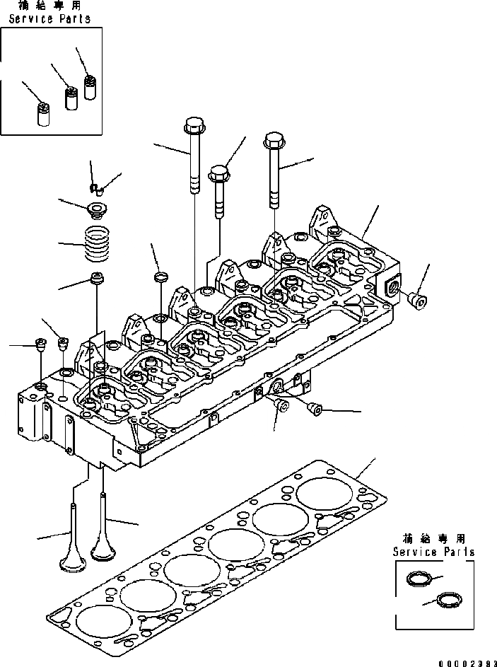
11
4
4
9
10
2
3
14
8
6
18
19
20
13
14
12
1
4
15
17
16
7
5
FIT
1:1
100%

Артикул

Название

Примечание

Количество

|1

6735-11-1201

HEAD ASS'Y

SN: 30380718-UP

1шт.

1

0

HEAD

SN: 30380718-UP

1шт.

2

6736-11-1150

PLUG

SN: 30380718-UP

5шт.

3

6732-11-1930

PLUG

SN: 30380718-UP

2шт.

4

6732-11-1910

PLUG

SN: 30380718-UP

5шт.

|5

6736-41-4110

INTAKE VALVE ASS'Y

SN: 30380718-UP

6шт.

5

0

VALVE

SN: 30380718-UP

1шт.

6

6732-41-4520

COTTER

SN: 30380718-UP

12шт.

7

6736-41-4210

EXHAUST VALVE ASS'Y

SN: 30380718-UP

6шт.

|8

0

VALVE

SN: 30380718-UP

1шт.

8

6732-41-4520

COTTER

SN: 30380718-UP

12шт.

9

6732-41-4430

SPRING

SN: 30380718-UP

12шт.

10

6731-41-4510

RETAINER

SN: 30380718-UP

12шт.

11

6732-41-4540

SEAL

SN: 30380718-UP

12шт.

12

6732-11-1920

PLUG

SN: 30380718-UP

1шт.

13

6732-11-1610

BOLT

SN: 30380718-UP

6шт.

14

6732-11-1620

BOLT

SN: 30380718-UP

14шт.

15

6735-11-1821

GASKET

SN: 30380718-UP

1шт.

16

6732-11-1170

INSERT, EXHAUST

SN: 30380718-UP

6шт.

17

6732-11-1180

INSERT, INTAKE

SN: 30380718-UP

6шт.

18

6736-19-1310

GUIDE¤ 60.50MM

SN: 30380718-UP

-2шт.

19

6736-19-1410

GUIDE¤ 51.75MM

SN: 30380718-UP

-2шт.

20

6736-18-1310

GUIDE

SN: 30380718-UP

-2шт.

Выбрано товаров: 23