Запчасти Komatsu SAA6D102E-2 КРЕПЛЕНИЕ ТОПЛ. НАСОСА ДВИГАТЕЛЬ

Схема запчастей Komatsu SAA6D102E-2 - КРЕПЛЕНИЕ ТОПЛ. НАСОСА ДВИГАТЕЛЬ
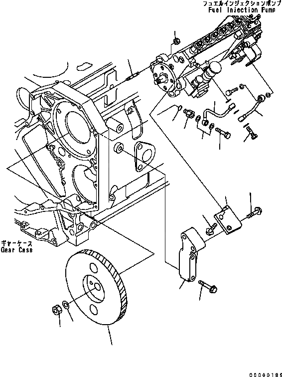
12
11
14
15
17
16
13
7
6
4
3
5
1
2
9
10
8
FIT
1:1
100%

Артикул

Название

Примечание

Количество

1

6738-71-3620

BRACKET, FUEL PUMP

SN: 30380718-UP

1шт.

2

6732-61-3110

BOLT

SN: 30380718-UP

2шт.

3

6738-71-3610

BRACKET, FUEL PUMP

SN: 30380718-UP

1шт.

4

6735-71-3220

BOLT

SN: 30380718-UP

2шт.

5

6734-71-5610

BOLT

SN: 30380718-UP

2шт.

6

6738-71-3120

STUD

SN: 30380718-UP

4шт.

7

6736-81-6170

NUT

SN: 30380718-UP

4шт.

8

6738-71-3100

GEAR ASS'Y, FUEL PUMP

SN: 30380718-UP

1шт.

|8

6738-71-3110

GEAR, FUEL PUMP

SN: 30380718-UP

1шт.

|8

6738-71-3810

DAMPER, VIBRATION

SN: 30380718-UP

1шт.

9

6130-32-1361

WASHER, PLAIN

SN: 30380718-UP

1шт.

10

01582-01411

NUT

SN: 30380718-UP

1шт.

11

6732-71-5450

NIPPLE, FEMALE

SN: 30380718-UP

1шт.

12

6215-81-9710

O-RING

SN: 30380718-UP

1шт.

13

07206-30710

BOLT

SN: 30380718-UP

1шт.

14

6731-71-5860

RING

SN: 30380718-UP

5шт.

15

6735-71-5411

TUBE, OIL

SN: 30380718-UP

1шт.

16

6735-71-5420

BOLT

SN: 30380718-UP

1шт.

17

6735-71-5430

TUBE, LUBRICATING OIL SUPPLY

SN: 30380718-UP

1шт.

Выбрано товаров: 19