Запчасти Komatsu SAA6D102E-2BB-8 ГЛУШИТЕЛЬ И КРЕПЛЕНИЕ(№-7) ДВИГАТЕЛЬ

Схема запчастей Komatsu SAA6D102E-2BB-8 - ГЛУШИТЕЛЬ И КРЕПЛЕНИЕ(№-7) ДВИГАТЕЛЬ
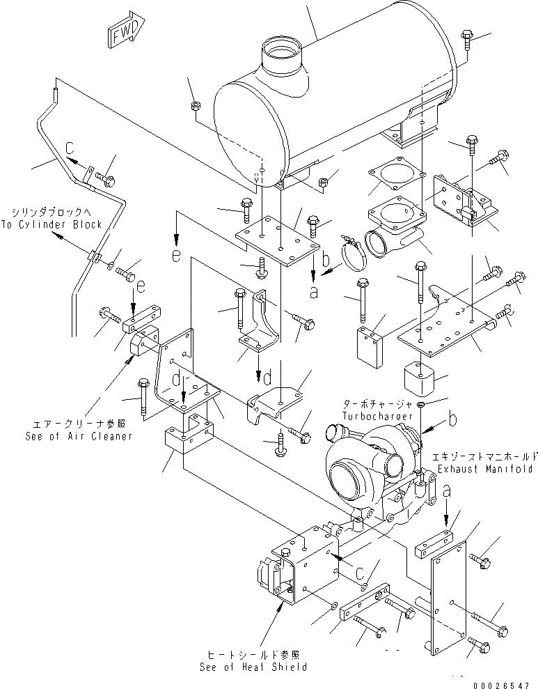
1
2
3
4
5
6
7
8
9
10
11
12
13
14
15
16
17
18
19
19A
20
21
22
23
24
25
26
26
26
27
28
29
30
30
31
32
33
34
35
35
36
37
38
39
40
41
41
1
2
3
4
5
6
7
8
9
10
11
12
13
14
15
16
17
18
19
19A
20
21
22
23
24
25
26
26
26
27
28
29
30
30
31
32
33
34
35
35
36
37
38
39
40
41
41
FIT
1:1
100%

Артикул

Название

Примечание

Количество

1

6738-11-5541

MUFFLER

SN: 26302312-26304457

1шт.

2

6150-11-5710

GASKET

SN: 26302312-26304457

1шт.

3

01435-01025

BOLT

SN: 26302312-26304457

4шт.

4

6738-11-5611

ELBOW

SN: 26302312-26304457

1шт.

5

6738-11-5621

BRACKET

SN: 26302312-26304457

1шт.

6

01435-01020

BOLT

SN: 26302312-26304457

4шт.

7

6738-11-5341

BRACKET

SN: 26302312-26304457

1шт.

8

01435-01085

BOLT

SN: 26302312-26304457

2шт.

9

01435-01025

BOLT

SN: 26302312-26304457

2шт.

10

01435-00820

BOLT

SN: 26302312-26304457

1шт.

11

01435-00830

BOLT

SN: 26302312-26304457

1шт.

12

6738-11-5440

SPACER

SN: 26302312-26304457

1шт.

13

01435-00825

BOLT

SN: 26302312-26304457

2шт.

14

6202-81-6821

BOLT

SN: 26302312-26304457

2шт.

15

209-62-11810

SPACER

SN: 26302312-26304457

1шт.

16

6738-11-5360

SPACER

SN: 26302312-26304457

1шт.

17

6738-11-5411

TUBE

SN: 26302312-26304457

1шт.

18

01435-00820

BOLT

SN: 26302312-26304457

1шт.

19

01010-81225

BOLT

SN: 26302312-26304457

1шт.

19A

01643-31232

WASHER

SN: 26302312-26304457

1шт.

20

6738-11-5450

PLATE

SN: 26302312-26304457

1шт.

21

6738-11-5460

PLATE

SN: 26302312-26304457

1шт.

22

6738-11-5630

BLOCK

SN: 26302312-26304457

1шт.

23

01435-01030

BOLT

SN: 26302312-26304457

2шт.

24

6738-11-5470

PLATE

SN: 26302312-26304457

1шт.

25

6738-11-5480

PLATE

SN: 26302312-26304457

1шт.

26

01435-01040

BOLT

SN: 26302312-26304457

4шт.

27

6738-11-5371

SPACER

SN: 26302312-26304457

1шт.

28

01435-01025

BOLT

SN: 26302312-26304457

2шт.

29

01435-01035

BOLT

SN: 26302312-26304457

2шт.

30

01580-01008

NUT

SN: 26302312-26304457

4шт.

31

01435-01070

BOLT

SN: 26302312-26304457

2шт.

32

01435-01080

BOLT

SN: 26302312-26304457

2шт.

33

6738-11-5660

BLOCK

SN: 26302312-26304457

1шт.

34

6738-11-5670

PLATE

SN: 26302312-26304457

1шт.

35

01435-01030

BOLT

SN: 26302312-26304457

4шт.

36

01435-01085

BOLT

SN: 26302312-26304457

2шт.

37

6738-11-5680

PLATE

SN: 26302312-26304457

1шт.

38

01435-01080

BOLT

SN: 26302312-26304457

1шт.

39

01435-01085

BOLT

SN: 26302312-26304457

1шт.

40

01435-01050

BOLT

SN: 26302312-26304457

2шт.

41

01643-31032

WASHER

SN: 26302312-26304457

2шт.

1

6738-11-5541

MUFFLER

SN: 26302312-26304457

1шт.

2

6150-11-5710

GASKET

SN: 26302312-26304457

1шт.

3

01435-01025

BOLT

SN: 26302312-26304457

4шт.

4

6738-11-5611

ELBOW

SN: 26302312-26304457

1шт.

5

6738-11-5621

BRACKET

SN: 26302312-26304457

1шт.

6

01435-01020

BOLT

SN: 26302312-26304457

4шт.

7

6738-11-5341

BRACKET

SN: 26302312-26304457

1шт.

8

01435-01085

BOLT

SN: 26302312-26304457

2шт.

9

01435-01025

BOLT

SN: 26302312-26304457

2шт.

10

01435-00820

BOLT

SN: 26302312-26304457

1шт.

11

01435-00830

BOLT

SN: 26302312-26304457

1шт.

12

6738-11-5440

SPACER

SN: 26302312-26304457

1шт.

13

01435-00825

BOLT

SN: 26302312-26304457

2шт.

14

6202-81-6821

BOLT

SN: 26302312-26304457

2шт.

15

209-62-11810

SPACER

SN: 26302312-26304457

1шт.

16

6738-11-5360

SPACER

SN: 26302312-26304457

1шт.

17

6738-11-5411

TUBE

SN: 26302312-26304457

1шт.

18

01435-00820

BOLT

SN: 26302312-26304457

1шт.

19

01010-81225

BOLT

SN: 26302312-26304457

1шт.

19A

01643-31232

WASHER

SN: 26302312-26304457

1шт.

20

6738-11-5450

PLATE

SN: 26302312-26304457

1шт.

21

6738-11-5460

PLATE

SN: 26302312-26304457

1шт.

22

6738-11-5630

BLOCK

SN: 26302312-26304457

1шт.

23

01435-01030

BOLT

SN: 26302312-26304457

2шт.

24

6738-11-5470

PLATE

SN: 26302312-26304457

1шт.

25

6738-11-5480

PLATE

SN: 26302312-26304457

1шт.

26

01435-01040

BOLT

SN: 26302312-26304457

4шт.

27

6738-11-5371

SPACER

SN: 26302312-26304457

1шт.

28

01435-01025

BOLT

SN: 26302312-26304457

2шт.

29

01435-01035

BOLT

SN: 26302312-26304457

2шт.

30

01580-01008

NUT

SN: 26302312-26304457

4шт.

31

01435-01070

BOLT

SN: 26302312-26304457

2шт.

32

01435-01080

BOLT

SN: 26302312-26304457

2шт.

33

6738-11-5660

BLOCK

SN: 26302312-26304457

1шт.

34

6738-11-5670

PLATE

SN: 26302312-26304457

1шт.

35

01435-01030

BOLT

SN: 26302312-26304457

4шт.

36

01435-01085

BOLT

SN: 26302312-26304457

2шт.

37

6738-11-5680

PLATE

SN: 26302312-26304457

1шт.

38

01435-01080

BOLT

SN: 26302312-26304457

1шт.

39

01435-01085

BOLT

SN: 26302312-26304457

1шт.

40

01435-01050

BOLT

SN: 26302312-26304457

2шт.

41

01643-31032

WASHER

SN: 26302312-26304457

2шт.

Выбрано товаров: 0