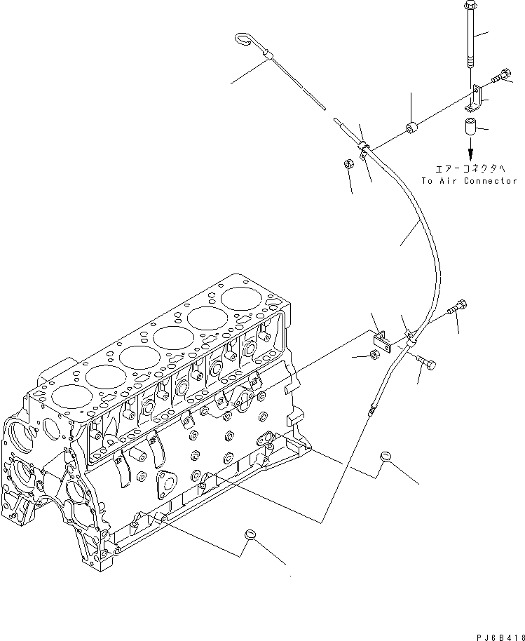
Запчасти Komatsu SAA6D102E-2C-KU МАСЛ. ЩУП ДВИГАТЕЛЬ

Схема запчастей Komatsu SAA6D102E-2C-KU - МАСЛ. ЩУП ДВИГАТЕЛЬ
1
1
2
3
4
4
5
5
6
7
8
9
10
11
12
13
14
FIT
1:1
100%

Артикул

Название

Примечание

Количество

1

6732-21-5530

PLUG

SN: 21494941-UP

2шт.

2

6732-21-5490

GUIDE

SN: 21494941-UP

1шт.

3

6732-21-5641

GAUGE

SN: 21494941-UP

1шт.

4

6205-51-8380

BRACKET

SN: 21494941-UP

2шт.

5

6732-21-3120

BOLT

SN: 21494941-UP

2шт.

6

04434-51208

CLIP

SN: 21494941-UP

1шт.

7

6732-71-3210

NUT

SN: 21494941-UP

1шт.

8

203-54-11170

SPACER

SN: 21494941-UP

1шт.

9

6222-11-4910

BOLT

SN: 21494941-UP

1шт.

10

6141-64-2560

SPACER

SN: 21494941-UP

1шт.

11

04434-51708

CLIP

SN: 21494941-UP

1шт.

12

07095-20211

CUSHION

SN: 21494941-UP

1шт.

13

6732-61-6140

BOLT

SN: 21494941-UP

1шт.

14

6732-71-3210

NUT

SN: 21494941-UP

1шт.

Выбрано товаров: 0