Запчасти Komatsu SAA6D102E-2D-8 КРЕПЛЕНИЕ ТОПЛ. НАСОСА(№-) ДВИГАТЕЛЬ

Схема запчастей Komatsu SAA6D102E-2D-8 - КРЕПЛЕНИЕ ТОПЛ. НАСОСА(№-) ДВИГАТЕЛЬ
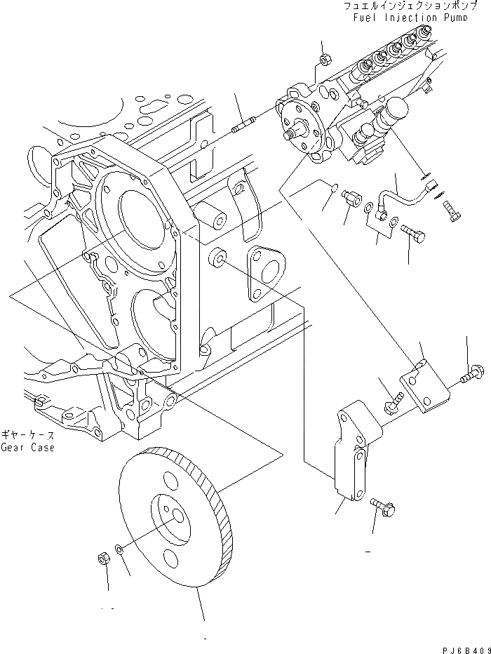
1
2
3
4
5
6
7
8
9
10
11
12
13
14
15
FIT
1:1
100%

Артикул

Название

Примечание

Количество

1

6738-71-3620

BRACKET

SN: 26325462-UP

1шт.

2

6732-61-3110

BOLT

SN: 26325462-UP

2шт.

3

6738-71-3610

BRACKET

SN: 26325462-UP

1шт.

4

01435-61025

BOLT

SN: 26469807-UP

2шт.

4

0

BOLT

SN: 26325462-26469806

2шт.

5

6734-71-5610

BOLT

SN: 26325462-UP

2шт.

6

6738-71-3120

STUD

SN: 26325462-UP

4шт.

7

6736-81-6170

NUT

SN: 26325462-UP

4шт.

8

6737-71-3110

GEAR

SN: 26325462-UP

1шт.

9

6130-32-1361

WASHER

SN: 26325462-UP

1шт.

10

01582-01411

NUT

SN: 26325462-UP

1шт.

11

6732-71-5450

NIPPLE

SN: 26325462-UP

1шт.

12

6215-81-9710

O-RING

SN: 26325462-UP

1шт.

13

07206-30710

BOLT,JOINT

SN: 26325462-UP

1шт.

14

07005-01012

SEAL, WASHER (K2)

SN: 26325462-UP

2шт.

15

6735-71-5411

TUBE,OIL

SN: 26325462-UP

1шт.

Выбрано товаров: 16