Запчасти Komatsu SAA6D102E-2EE-8 АНТИКОРРОЗ. ЭЛЕМЕНТ(№89-) ДВИГАТЕЛЬ

Схема запчастей Komatsu SAA6D102E-2EE-8 - АНТИКОРРОЗ. ЭЛЕМЕНТ(№89-) ДВИГАТЕЛЬ
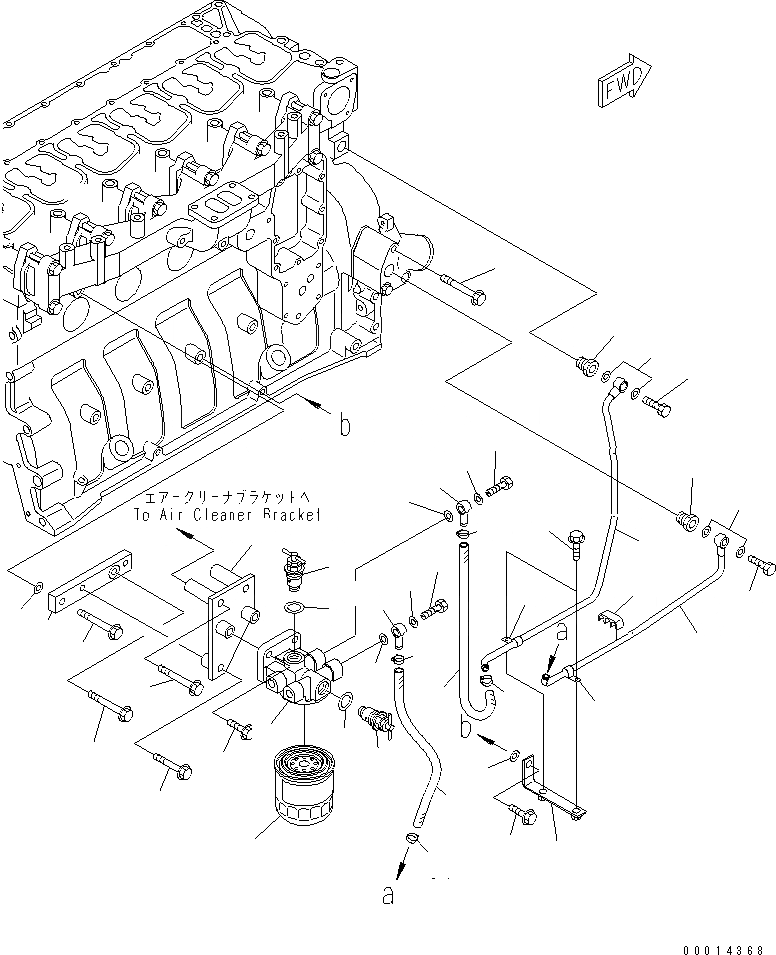
1
2
2
3
3
4
5
6
7
8
9
10
11
12
13
14
15
16
17
18
19
20
21
22
23
24
25
26
26
27
28
28
29
29
30
30
30
30
31
31
31
31
32
32
1
2
2
3
3
4
5
6
7
8
9
10
11
12
13
14
15
16
17
18
19
20
21
22
23
24
25
26
26
27
28
28
29
29
30
30
30
30
31
31
31
31
32
32
FIT
1:1
100%

Артикул

Название

Примечание

Количество

|$1

6738-61-8100

CORROSION ASS'Y

SN: 26321894-UP

1шт.

|$2

6732-61-8300

HEAD ASS'Y

SN: 26321894-UP

1шт.

1

600-411-2410

HEAD

SN: 26321894-UP

1шт.

2

600-411-2120

VALVE ASS'Y

SN: 26321894-UP

2шт.

3

600-411-2130

GASKET,CORROSION

SN: 26321894-UP

2шт.

4

600-411-1191

CARTRIDGE

SN: 26321894-UP

1шт.

5

6738-11-5680

PLATE

SN: 26321894-UP

1шт.

6

01643-31032

WASHER

SN: 26321894-UP

2шт.

7

01435-01080

BOLT

SN: 26321894-UP

1шт.

8

01435-01085

BOLT

SN: 26321894-UP

1шт.

9

418-01-31240

BRACKET

SN: 26321894-UP

1шт.

10

01435-01030

BOLT

SN: 26321894-UP

2шт.

11

01435-01085

BOLT

SN: 26321894-UP

2шт.

12

01435-01050

BOLT

SN: 26321894-UP

1шт.

13

419-01-31311

TUBE

SN: 26331373-UP

1шт.

13

0

TUBE

SN: 26321894-26331372

1шт.

14

6735-61-8140

NIPPLE

SN: 26331373-UP

1шт.

14

0

CONNECTOR

SN: 26321894-26331372

1шт.

15

07206-31014

BOLT

SN: 26321894-UP

1шт.

16

07005-01412

SEAL, WASHER

SN: 26321894-UP

2шт.

17

01435-01080

BOLT

SN: 26321894-UP

1шт.

18

419-01-31320

TUBE

SN: 26321894-UP

1шт.

19

6151-71-5910

CONNECTOR

SN: 26321894-UP

1шт.

20

07206-31014

BOLT,JOINT

SN: 26321894-UP

1шт.

21

07005-01412

SEAL, WASHER

SN: 26321894-UP

2шт.

22

6202-72-5530

CLAMP

SN: 26321894-UP

1шт.

23

419-01-31330

BRACKET

SN: 26321894-UP

1шт.

24

01435-01225

BOLT

SN: 26321894-UP

1шт.

25

01643-31232

WASHER

SN: 26321894-UP

1шт.

26

04434-51010

CLIP

SN: 26321894-UP

2шт.

27

01435-01016

BOLT

SN: 26321894-UP

2шт.

28

6144-71-5750

JOINT

SN: 26321894-UP

2шт.

29

07206-31014

BOLT,JOINT

SN: 26321894-UP

2шт.

30

07005-01412

SEAL, WASHER

SN: 26321894-UP

4шт.

31

07281-00197

CLAMP

SN: 26321894-UP

4шт.

32

07260-20945

HOSE

SN: 26321894-UP

2шт.

|$1

6738-61-8100

CORROSION ASS'Y

SN: 26321894-UP

1шт.

|$2

6732-61-8300

HEAD ASS'Y

SN: 26321894-UP

1шт.

1

600-411-2410

HEAD

SN: 26321894-UP

1шт.

2

600-411-2120

VALVE ASS'Y

SN: 26321894-UP

2шт.

3

600-411-2130

GASKET,CORROSION

SN: 26321894-UP

2шт.

4

600-411-1191

CARTRIDGE

SN: 26321894-UP

1шт.

5

6738-11-5680

PLATE

SN: 26321894-UP

1шт.

6

01643-31032

WASHER

SN: 26321894-UP

2шт.

7

01435-01080

BOLT

SN: 26321894-UP

1шт.

8

01435-01085

BOLT

SN: 26321894-UP

1шт.

9

418-01-31240

BRACKET

SN: 26321894-UP

1шт.

10

01435-01030

BOLT

SN: 26321894-UP

2шт.

11

01435-01085

BOLT

SN: 26321894-UP

2шт.

12

01435-01050

BOLT

SN: 26321894-UP

1шт.

13

419-01-31311

TUBE

SN: 26331373-UP

1шт.

13

0

TUBE

SN: 26321894-26331372

1шт.

14

6735-61-8140

NIPPLE

SN: 26331373-UP

1шт.

14

0

CONNECTOR

SN: 26321894-26331372

1шт.

15

07206-31014

BOLT

SN: 26321894-UP

1шт.

16

07005-01412

SEAL, WASHER

SN: 26321894-UP

2шт.

17

01435-01080

BOLT

SN: 26321894-UP

1шт.

18

419-01-31320

TUBE

SN: 26321894-UP

1шт.

19

6151-71-5910

CONNECTOR

SN: 26321894-UP

1шт.

20

07206-31014

BOLT,JOINT

SN: 26321894-UP

1шт.

21

07005-01412

SEAL, WASHER

SN: 26321894-UP

2шт.

22

6202-72-5530

CLAMP

SN: 26321894-UP

1шт.

23

419-01-31330

BRACKET

SN: 26321894-UP

1шт.

24

01435-01225

BOLT

SN: 26321894-UP

1шт.

25

01643-31232

WASHER

SN: 26321894-UP

1шт.

26

04434-51010

CLIP

SN: 26321894-UP

2шт.

27

01435-01016

BOLT

SN: 26321894-UP

2шт.

28

6144-71-5750

JOINT

SN: 26321894-UP

2шт.

29

07206-31014

BOLT,JOINT

SN: 26321894-UP

2шт.

30

07005-01412

SEAL, WASHER

SN: 26321894-UP

4шт.

31

07281-00197

CLAMP

SN: 26321894-UP

4шт.

32

07260-20945

HOSE

SN: 26321894-UP

2шт.

Выбрано товаров: 72