Запчасти Komatsu SAA6D107E-1B ЗАДН. КОЖУХ ШЕСТЕРЕН. ПЕРЕДАЧИ ДВИГАТЕЛЬ

Схема запчастей Komatsu SAA6D107E-1B - ЗАДН. КОЖУХ ШЕСТЕРЕН. ПЕРЕДАЧИ ДВИГАТЕЛЬ
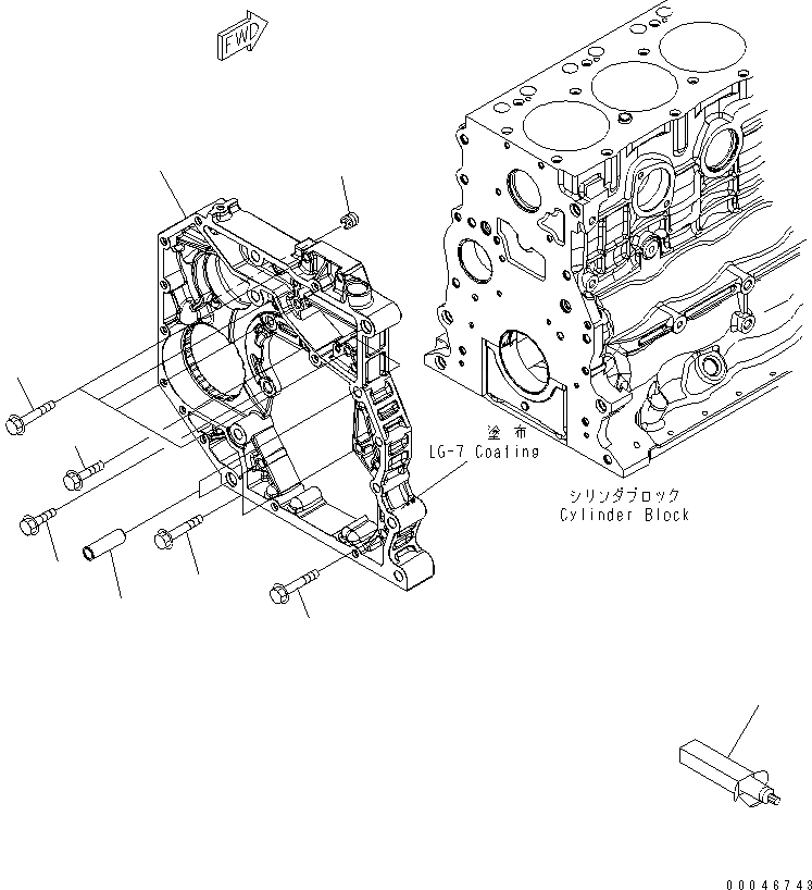
1
2
3
4
5
6
7
7
8
FIT
1:1
100%

Артикул

Название

Примечание

Количество

|$1

6754-21-3103

HOUSING ASS'Y,REAR GEAR

SN: 26589596-UP

1шт.

|$2

6754-21-3102

HOUSING ASS'Y,REAR GEAR

SN: 26502126-26589595

1шт.

|$3

6754-21-3100

HOUSING ASS'Y,REAR GEAR

SN: 26500006-26502125

1шт.

1

0

HOUSING,REAR GEAR

SN: 26589596-UP

1шт.

1

0

HOUSING,REAR GEAR

SN: 26502126-26589595

1шт.

1

0

HOUSING,REAR GEAR

SN: 26500006-26502125

1шт.

2

6754-21-3120

PIN

SN: 26500006-UP

2шт.

3

6754-21-3150

INSERT

SN: 26502126-UP

2шт.

3

6754-21-3130

INSERT

SN: 26500006-26502125

2шт.

4

6735-61-2120

BOLT

SN: 26500006-UP

4шт.

5

01435-61030

BOLT

SN: 26589596-UP

2шт.

5

6735-61-3810

BOLT

SN: 26500006-26589595

2шт.

6

6732-11-1720

BOLT

SN: 26500006-UP

1шт.

7

6754-21-3140

BOLT

SN: 26500006-UP

3шт.

8

09920-00150

LIQUID GASKET,LG-7, 150G

SN: 26500006-UP

-2шт.

Выбрано товаров: 15