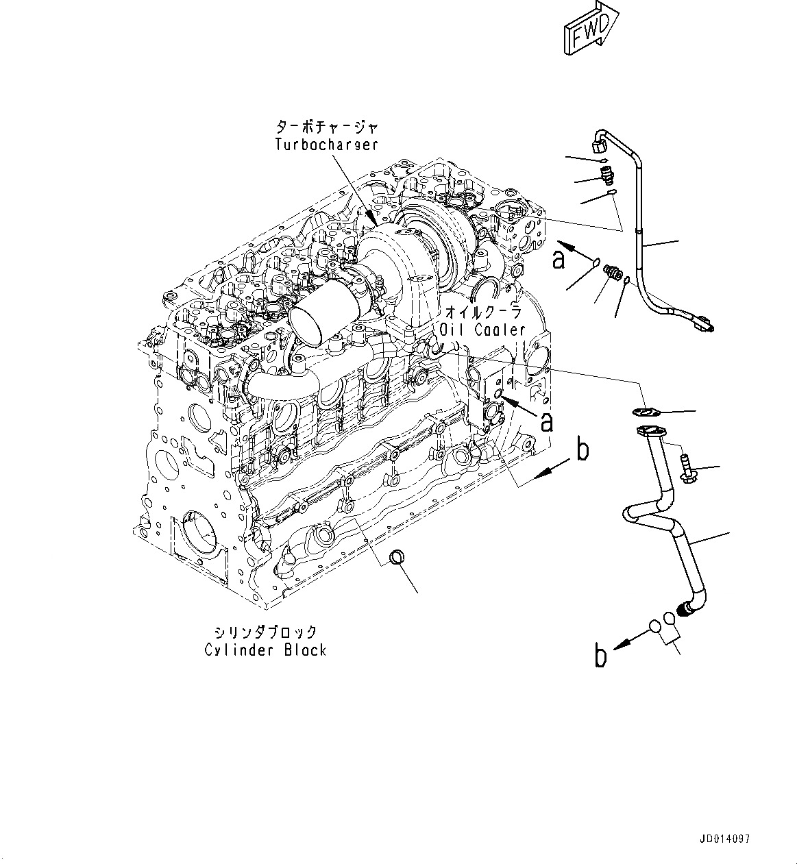
Запчасти Komatsu SAA6D107E-1B МАСЛОПРОВОДЯЩИЕ ТРУБКИ ТУРБОНАГНЕТАТЕЛЯ, (№7-89) МАСЛОПРОВОДЯЩИЕ ТРУБКИ ТУРБОНАГНЕТАТЕЛЯ

Схема запчастей Komatsu SAA6D107E-1B - МАСЛОПРОВОДЯЩИЕ ТРУБКИ ТУРБОНАГНЕТАТЕЛЯ, (№7-89) МАСЛОПРОВОДЯЩИЕ ТРУБКИ ТУРБОНАГНЕТАТЕЛЯ
6
7
8
5
6
7
8
9
1
2
3
4
FIT
1:1
100%

Артикул

Название

Примечание

Количество

|$0

6754-51-8100

Tube Assembly

SN: 26541137-@

1шт.

1

Tube

SN: 26541137-@

1шт.

2

6732-51-8330

O-ring

SN: 26541137-@

2шт.

3

6731-61-1370

Bolt

SN: 26541137-@

2шт.

4

6754-51-8121

Gasket

SN: 26541137-@

1шт.

5

6754-51-8210

Hose

SN: 26541137-@

1шт.

6

6736-51-8710

O-ring

SN: 26541137-26568901

2шт.

7

6732-81-8850

Connector

SN: 26541137-26568901

2шт.

8

6732-81-8860

O-ring

SN: 26541137-26568901

2шт.

9

6735-21-5530

Plug

SN: 26541137-@

1шт.

Выбрано товаров: 0