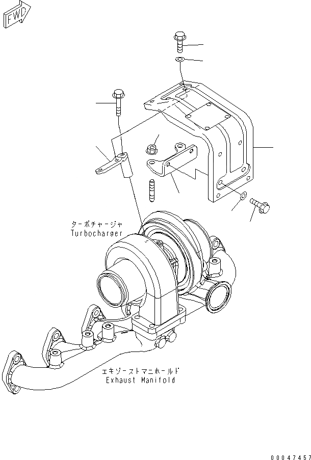
Запчасти Komatsu SAA6D107E-1B-W ТЕРМОЗАЩИТА (ТУРБОНАГНЕТАТЕЛЬ) ДВИГАТЕЛЬ

Схема запчастей Komatsu SAA6D107E-1B-W - ТЕРМОЗАЩИТА (ТУРБОНАГНЕТАТЕЛЬ) ДВИГАТЕЛЬ
5
6
7
3
4
6
7
2
1
FIT
1:1
100%

Артикул

Название

Примечание

Количество

1

6738-81-8450

BRACKET

SN: 30919040-UP

1шт.

2

6732-81-8820

NUT

SN: 30919040-UP

2шт.

3

6754-81-8410

BRACKET

SN: 30919040-UP

1шт.

4

01435-00845

BOLT

SN: 30919040-UP

1шт.

5

6732-81-8412

COVER

SN: 30919040-UP

1шт.

6

01435-00816

BOLT

SN: 30919040-UP

4шт.

7

154-61-16570

WASHER

SN: 30919040-UP

4шт.

Выбрано товаров: 7