Запчасти Komatsu SAA6D107E-1B-W ТОПЛ. НАСОС ДВИГАТЕЛЬ

Схема запчастей Komatsu SAA6D107E-1B-W - ТОПЛ. НАСОС ДВИГАТЕЛЬ
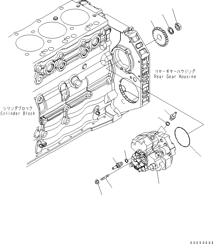
1
2
2
3
3
4
5
6
7
8
9
FIT
1:1
100%

Артикул

Название

Примечание

Количество

|1

6754-71-1010

FUEL PUMP ASS'Y

SN: 30919040-UP

1шт.

|1

6754-71-1110

PUMP ASS'Y

SN: 30919040-UP

1шт.

1

6754-71-1320

O-RING

SN: 30919040-UP

1шт.

2

6754-71-1330

CONNECTOR

SN: 30919040-UP

3шт.

3

6754-71-5350

WASHER

SN: 30919040-UP

3шт.

4

6754-71-1310

PUMP

SN: 30919040-UP

1шт.

5

6754-71-1340

NUT

SN: 30919040-UP

1шт.

6

6754-71-1350

WASHER,SPRING

SN: 30919040-UP

1шт.

7

6754-71-3110

GEAR

SN: 30919040-UP

1шт.

8

6754-71-3130

STUD

SN: 30919040-UP

3шт.

9

6732-71-3210

NUT

SN: 30919040-UP

3шт.

Выбрано товаров: 11