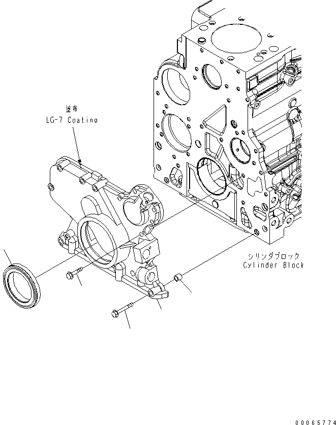
Запчасти Komatsu SAA6D107E-1BA ПРИВОД COVER ДВИГАТЕЛЬ

Схема запчастей Komatsu SAA6D107E-1BA - ПРИВОД COVER ДВИГАТЕЛЬ
1
2
3
4
5
FIT
1:1
100%

Артикул

Название

Примечание

Количество

1

6754-21-6211

COVER,FRONT

SN: .-UP

1шт.

2

6754-21-6220

RING,DOWEL

SN: .-UP

2шт.

3

6735-61-2120

BOLT

SN: .-UP

6шт.

4

6732-21-6630

BOLT

SN: .-UP

7шт.

5

6754-21-6230

SEAL,OIL

SN: .-UP

1шт.

Выбрано товаров: 5