Запчасти Komatsu SAA6D107E-1BA КРЕПЛЕНИЕ ГЕНЕРАТОРА ДВИГАТЕЛЬ

Схема запчастей Komatsu SAA6D107E-1BA - КРЕПЛЕНИЕ ГЕНЕРАТОРА ДВИГАТЕЛЬ
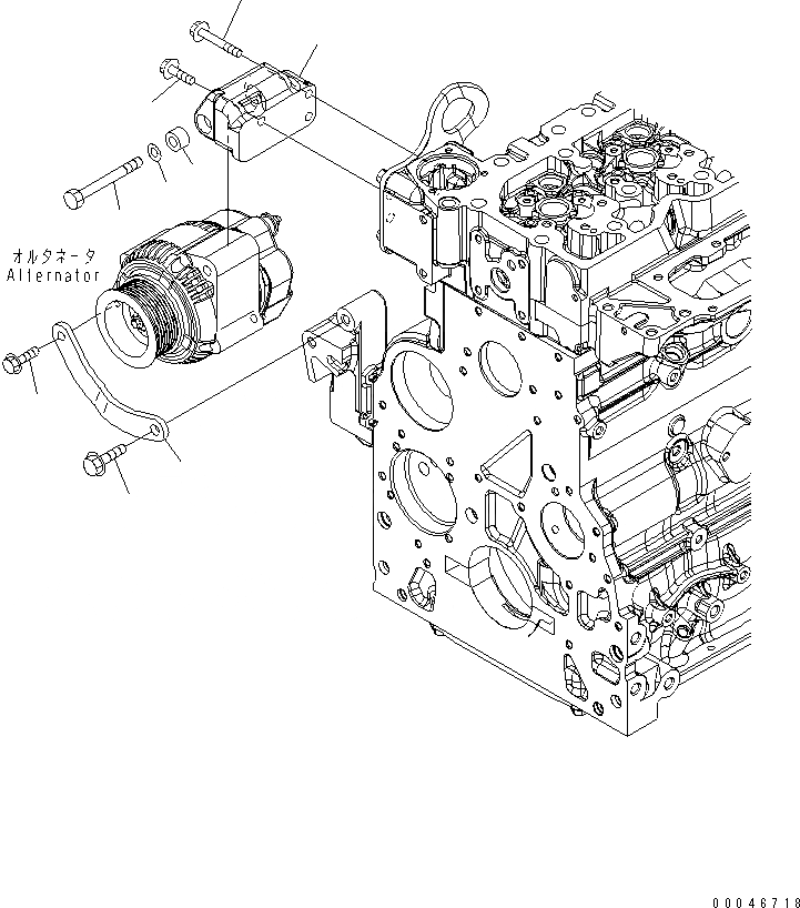
1
2
3
4
5
6
7
8
9
FIT
1:1
100%

Артикул

Название

Примечание

Количество

|$0

6754-81-6110

SUPPORT ASS'Y,ALTERNATOR

SN: .-UP

1шт.

1

6754-81-6120

SUPPORT

SN: .-UP

1шт.

2

6732-81-6630

SPACER,MOUNTING

SN: .-UP

1шт.

3

6732-21-6630

BOLT

SN: .-UP

1шт.

4

6736-11-4460

BOLT

SN: .-UP

2шт.

5

01018-31095

BOLT

SN: .-UP

1шт.

6

01641-01016

WASHER,PLAIN

SN: .-UP

1шт.

7

6754-81-6130

BRACKET,ALTERNATOR

SN: .-UP

1шт.

8

6735-71-3220

BOLT

SN: .-UP

1шт.

9

6732-21-5160

BOLT

SN: .-UP

1шт.

Выбрано товаров: 10