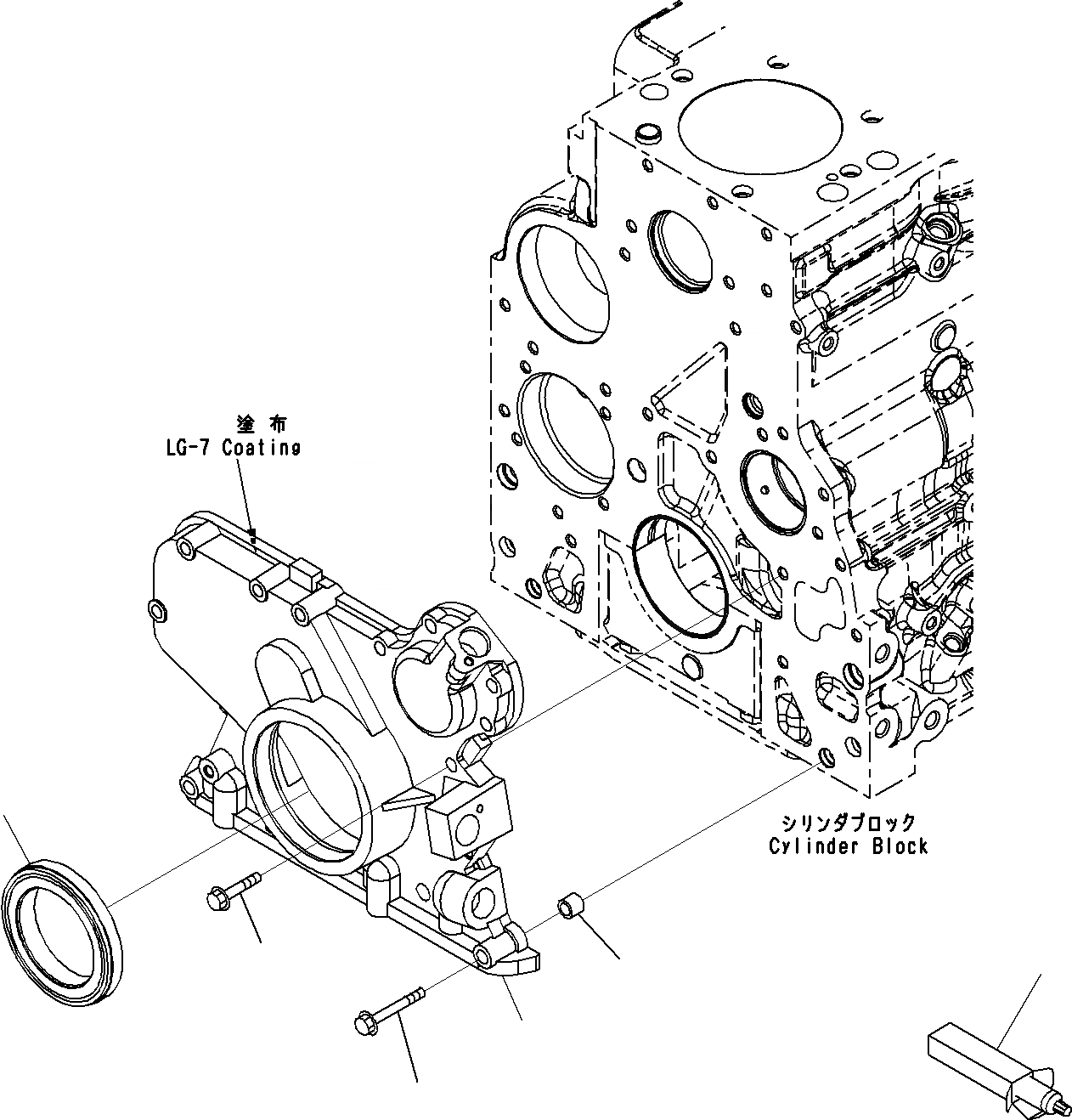
Запчасти Komatsu SAA6D107E-1C КРЫШКА ПЕРЕДН. ЗУБЧАТОЙ ПЕРЕДАЧИ() ДВИГАТЕЛЬ ЗУБЧАТ. ПЕРЕДАЧА И КОРПУС

Схема запчастей Komatsu SAA6D107E-1C - КРЫШКА ПЕРЕДН. ЗУБЧАТОЙ ПЕРЕДАЧИ() ДВИГАТЕЛЬ ЗУБЧАТ. ПЕРЕДАЧА И КОРПУС
5
4
3
2
1
6
FIT
1:1
100%

Артикул

Название

Примечание

Количество

1

6754-21-6210

Cover

SN: 26500029-UP

1шт.

2

6754-21-6220

Ring

SN: 26500029-UP

2шт.

3

6735-61-2120

Bolt

SN: 26500029-UP

6шт.

4

6732-21-6630

Bolt

SN: 26500029-UP

7шт.

5

6754-21-6230

Seal

SN: 26500029-UP

1шт.

6

09920-00150

Liquid gasket, LG-7, 150G

SN: 26500029-UP

-2шт.

Выбрано товаров: 6