Качественные детали и логистика
Оригинальные и аналоговые запчасти с доставкой по России, Казахстану и Беларуси
©2022 PartSell ООО "Система" ИНН 2463123282 ОГРН 1212400004838
Центральный офис: г. Красноярск, Академика Киренского, д.87, пом.4
Телефон: 8 (800) 777-65-74 Email: zakaz@partsell.ru
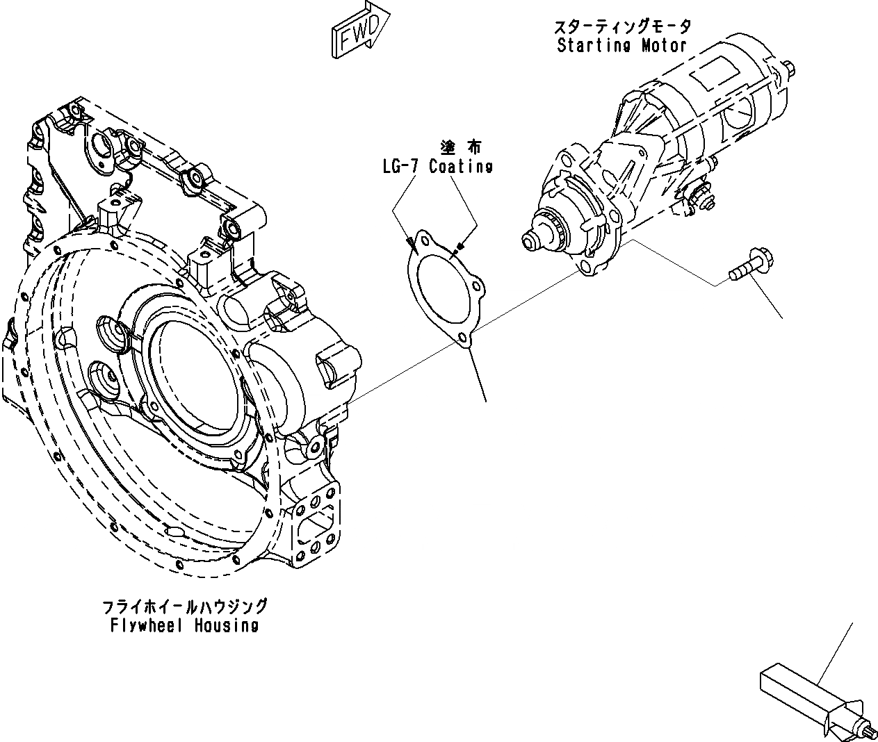
СТАРТЕР КРЕПЛЕНИЕS()
№
Артикул
Название
Примечание
Количество
1
6732-81-6811
Gasket
SN: 26500029-UP
1шт.
2
01435-01035
Bolt
3шт.
3
09920-00150
Liquid gasket, LG-7, 150G
-2шт.
Выбрано товаров: 0