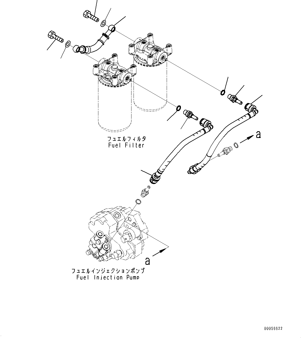
Запчасти Komatsu SAA6D107E-1C ТРУБЫ ТОПЛ. ФИЛЬТРА (№-) ТРУБЫ ТОПЛ. ФИЛЬТРА, EXTRA ПЛОХ. ТОПЛИВО СПЕЦ-Я., ВОДН. И DUST

Схема запчастей Komatsu SAA6D107E-1C - ТРУБЫ ТОПЛ. ФИЛЬТРА (№-) ТРУБЫ ТОПЛ. ФИЛЬТРА, EXTRA ПЛОХ. ТОПЛИВО СПЕЦ-Я., ВОДН. И DUST
5
6
7
6
7
1
2
3
4
2
1
FIT
1:1
100%

Артикул

Название

Примечание

Количество

1

6754-71-5340

Connector

SN: 26542663-UP

2шт.

2

6745-71-1130

Seal, Washer

SN: 26596324-UP

2шт.

2

6754-71-5350

Washer

SN: 26542663-26596323

2шт.

3

6754-71-9910

Hose

SN: 26542663-UP

1шт.

4

6754-71-9980

Hose

SN: 26542663-UP

1шт.

5

6754-71-9960

Hose

SN: 26542663-UP

1шт.

6

07005-01212

Seal, Washer

SN: 26542663-UP

4шт.

7

6732-71-6510

Bolt, Joint

SN: 26542663-UP

2шт.

Выбрано товаров: 8