Запчасти Komatsu SAA6D107E-1C КРЕПЛЕНИЕ ГЕНЕРАТОРА (№-) КРЕПЛЕНИЕ ГЕНЕРАТОРА, AMP. УПЛОТНЕНИЕED, ДЛЯ ЗАПЫЛЕНН МЕСТН. ARRANGEMENT

Схема запчастей Komatsu SAA6D107E-1C - КРЕПЛЕНИЕ ГЕНЕРАТОРА (№-) КРЕПЛЕНИЕ ГЕНЕРАТОРА, AMP. УПЛОТНЕНИЕED, ДЛЯ ЗАПЫЛЕНН МЕСТН. ARRANGEMENT
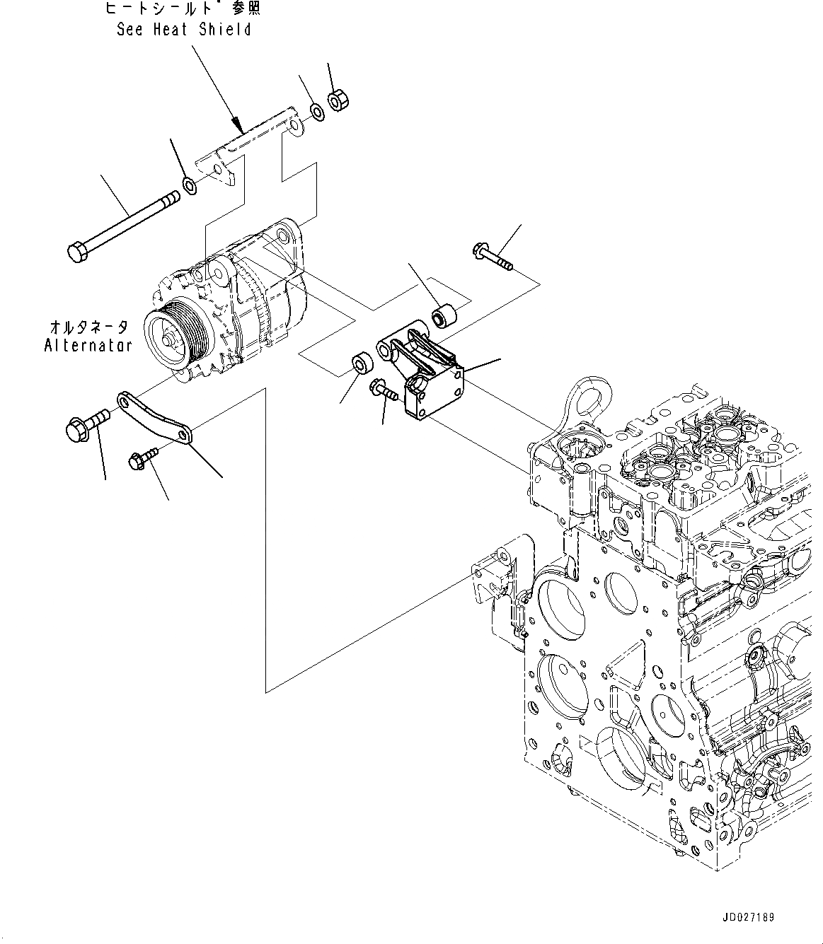
1
2
3
4
5
6
7
8
9
10
11
5
FIT
1:1
100%

Артикул

Название

Примечание

Количество

1

6754-81-6140

Support Assembly

SN: 26542663-UP

1шт.

2

6742-01-2441

Bolt

SN: 26542663-UP

1шт.

3

6732-61-3110

Bolt

SN: 26542663-UP

3шт.

4

6207-81-6980

Bolt

SN: 26542663-UP

1шт.

5

01641-21223

Washer

SN: 26542663-UP

2шт.

6

6732-81-6490

Spacer

SN: 26542663-UP

1шт.

7

6732-81-6530

Spacer

SN: 26542663-UP

1шт.

8

01580-11210

Nut

SN: 26542663-UP

1шт.

9

6754-81-6150

Bracket

SN: 26542663-UP

1шт.

10

01435-61025

Bolt

SN: 26589812-UP

1шт.

10

6735-71-3220

Bolt

SN: 26542663-26589811

1шт.

11

01050-31230

Bolt

SN: 26542663-UP

1шт.

Выбрано товаров: 12