Запчасти Komatsu SAA6D107E-1C ПРОВОДКА (№-) ПРОВОДКА

Схема запчастей Komatsu SAA6D107E-1C - ПРОВОДКА (№-) ПРОВОДКА
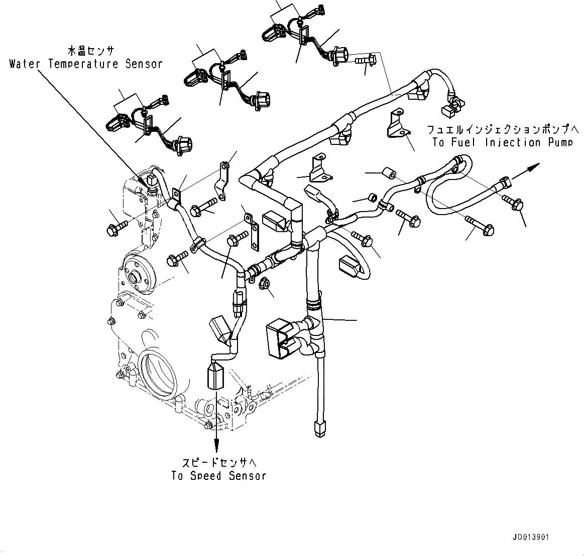
8
9
6
7
10
13
4
11
18
17
16
15
14
19
20
12
12
5
3
2
3
2
1
1
3
2
1
FIT
1:1
100%

Артикул

Название

Примечание

Количество

1

6754-81-9450

Wiring Harness

SN: 26542663-UP

3шт.

2

6754-81-9220

Clip

SN: 26542663-UP

3шт.

3

6754-81-9230

Clip

SN: 26542663-UP

6шт.

4

6754-81-9440

Wiring Harness

SN: 26542663-UP

1шт.

5

6732-21-4180

Bolt

SN: 26542663-UP

3шт.

6

6162-23-5770

Spacer

SN: 26542663-UP

1шт.

7

01435-60835

Bolt

SN: 26590084-UP

1шт.

7

6732-61-6140

Bolt

SN: 26542663-26590083

1шт.

8

6754-81-9330

Spacer

SN: 26542663-UP

1шт.

9

6731-61-1370

Bolt

SN: 26542663-UP

1шт.

10

6216-74-6180

Bolt

SN: 26542663-UP

2шт.

11

01584-00605

Nut

SN: 26542663-UP

3шт.

12

6754-81-9340

Bracket

SN: 26542663-UP

2шт.

13

6736-81-5110

Bolt

SN: 26542663-UP

2шт.

14

6754-81-9280

Bracket

SN: 26542663-UP

1шт.

15

01435-60816

Bolt

SN: 26589812-UP

2шт.

15

6732-21-3120

Bolt

SN: 26542663-26589811

2шт.

16

01435-60612

Bolt

SN: 26589812-UP

1шт.

16

6733-71-5680

Bolt

SN: 26542663-26589811

1шт.

17

6754-81-9270

Bracket

SN: 26542663-UP

1шт.

18

6754-81-9390

Bolt

SN: 26542663-UP

1шт.

19

04434-51308

Clip

SN: 26542663-UP

1шт.

20

6216-74-6180

Bolt

SN: 26542663-UP

1шт.

Выбрано товаров: 0