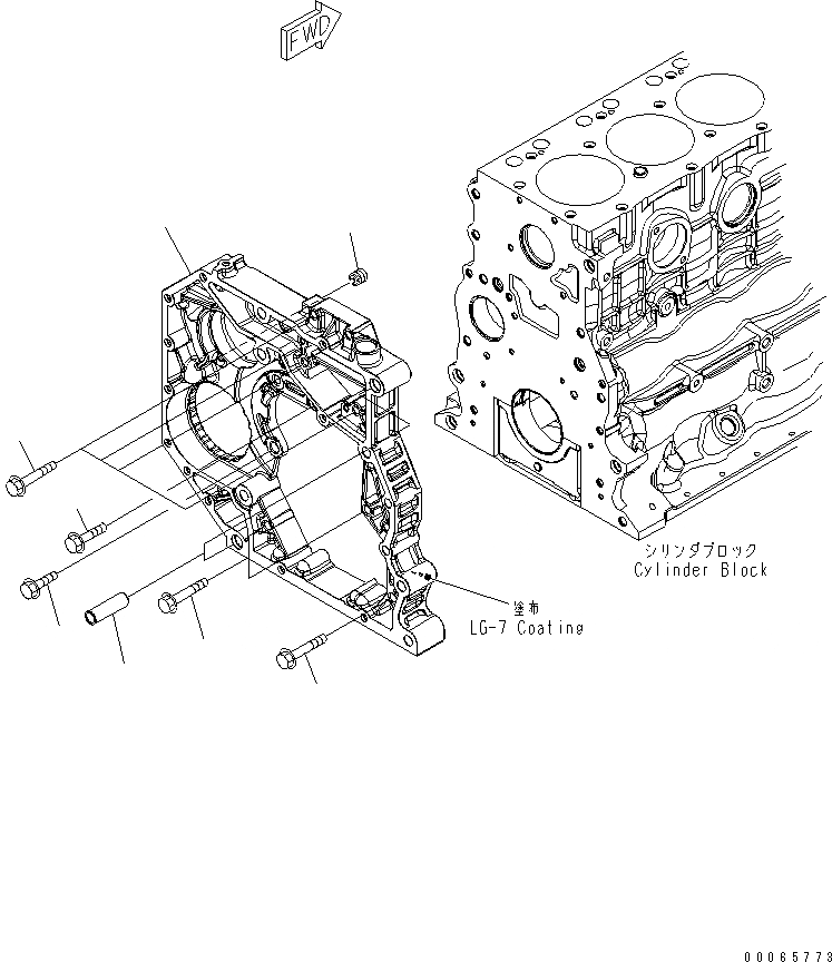
Запчасти Komatsu SAA6D107E-1C ЗАДН. КОЖУХ ШЕСТЕРЕН. ПЕРЕДАЧИ ДВИГАТЕЛЬ

Схема запчастей Komatsu SAA6D107E-1C - ЗАДН. КОЖУХ ШЕСТЕРЕН. ПЕРЕДАЧИ ДВИГАТЕЛЬ
1
1
2
3
4
5
6
7
FIT
1:1
100%

Артикул

Название

Примечание

Количество

1

6754-21-3140

BOLT

SN: .-UP

3шт.

2

6735-61-2120

BOLT

SN: .-UP

4шт.

3

6735-61-3810

BOLT

SN: .-UP

2шт.

4

6732-11-1720

BOLT

SN: .-UP

1шт.

|$4

6754-21-3102

HOUSING ASS'Y,REAR GEAR

SN: .-UP

1шт.

5

6754-21-3120

PIN,DOWEL

SN: .-UP

2шт.

6

0

HOUSING,GEAR

SN: .-UP

1шт.

7

6754-21-3150

INSERT,THREADED

SN: .-UP

2шт.

Выбрано товаров: 8