Запчасти Komatsu SAA6D107E-1C ТОПЛИВОПРОВОД. ДВИГАТЕЛЬ

Схема запчастей Komatsu SAA6D107E-1C - ТОПЛИВОПРОВОД. ДВИГАТЕЛЬ
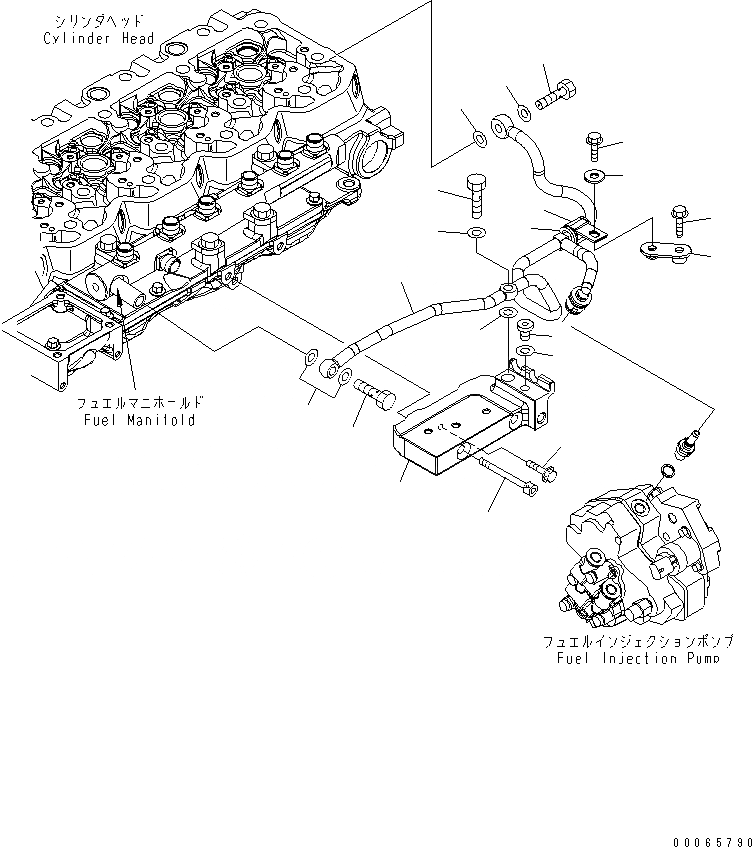
1
2
3
4
5
6
7
7
7
7
7
8
8
9
10
11
12
13
14
15
FIT
1:1
100%

Артикул

Название

Примечание

Количество

1

6754-71-5410

CONNECTOR,FUEL BLOCK

SN: .-UP

1шт.

2

6732-61-6140

BOLT

SN: .-UP

1шт.

3

6736-81-8730

BOLT

SN: .-UP

2шт.

4

6754-71-5420

TUBE,FUEL DRAIN

SN: .-UP

1шт.

5

6735-71-3821

SEAL,WASHER

SN: .-UP

1шт.

6

6754-71-5430

VALVE

SN: .-UP

1шт.

7

6745-71-1130

WASHER,SEALING

SN: .-UP

6шт.

8

6732-71-6510

BOLT,BANJO CONNECTOR

SN: .-UP

2шт.

9

6754-71-5150

PLUG,THREADED

SN: .-UP

1шт.

10

6754-71-5450

BRACKET,TUBE

SN: .-UP

1шт.

11

6732-21-6630

BOLT

SN: .-UP

1шт.

12

04434-51708

CLIP

SN: .-UP

1шт.

13

07095-20211

CUSHION,ISOLATOR, VIBRATION

SN: .-UP

1шт.

14

6732-21-3120

BOLT

SN: .-UP

1шт.

15

154-61-16570

WASHER

SN: .-UP

1шт.

Выбрано товаров: 15