Запчасти Komatsu SAA6D107E-1C УПРАВЛ-Е ДВИГАТЕЛЕМ MODULE ДВИГАТЕЛЬ

Схема запчастей Komatsu SAA6D107E-1C - УПРАВЛ-Е ДВИГАТЕЛЕМ MODULE ДВИГАТЕЛЬ
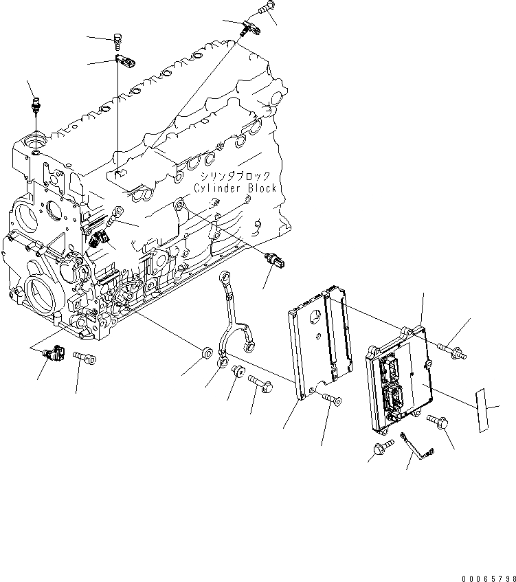
1
2
3
4
5
6
7
8
9
10
11
12
13
13
14
14
15
16
17
18
19
20
FIT
1:1
100%

Артикул

Название

Примечание

Количество

1

6754-81-9110

ISOLATOR,VIBRATION

SN: .-UP

3шт.

2

6754-81-9120

BRACKET,ETR CONTROL MODULE

SN: .-UP

1шт.

3

6754-81-9130

ISOLATOR,VIBRATION

SN: .-UP

3шт.

4

6735-61-2120

BOLT

SN: .-UP

3шт.

5

6754-81-9140

SUPPORT,ETR CONTROL MODULE

SN: .-UP

1шт.

6

6754-81-9150

BOLT

SN: .-UP

3шт.

7

0

CONTROLLER ASS'Y,ELECTRONIC CONTROL (F1)

SN: .-UP

1шт.

8

6754-81-9160

BOLT

SN: .-UP

5шт.

9

6732-61-3110

BOLT

SN: .-UP

2шт.

10

6216-84-2130

PLATE,NAME

SN: .-UP

1шт.

11

6754-81-9170

WIRE

SN: .-UP

1шт.

12

6216-74-6180

BOLT

SN: .-UP

1шт.

13

6754-81-9200

SENSOR ASS'Y

SN: .-UP

2шт.

14

6216-84-9220

BOLT

SN: .-UP

2шт.

15

6744-81-4010

SWITCH

SN: .-UP

1шт.

16

6261-81-1900

SENSOR,PRESSURE

SN: .-UP

1шт.

17

6734-71-5520

BOLT

SN: .-UP

1шт.

18

6754-81-2701

SENSOR ASS'Y,PRS TEMPERATURE

SN: .-UP

1шт.

19

6754-81-9180

SCREW

SN: .-UP

1шт.

20

6261-81-6901

SENSOR ASS'Y,TEMPERATURE

SN: .-UP

1шт.

|$$21

(F1)

-1шт.

|$$22

CONTACT RIPLEY PARTS SUPPLY CENTER WITH ENGINE SERIAL NUMBER TO ORDER PROPER ENGINE CONTROLLER.

-1шт.

Выбрано товаров: 22