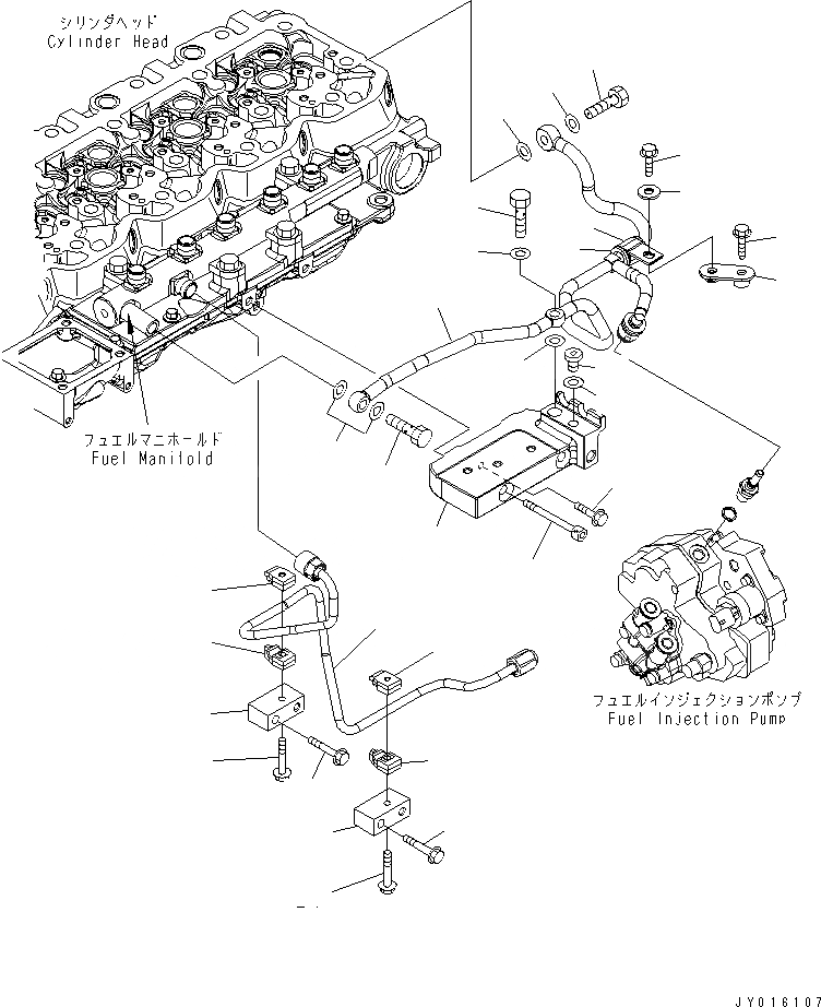
Запчасти Komatsu SAA6D107E-1C-W ТОПЛИВОПРОВОД. ДВИГАТЕЛЬ

Схема запчастей Komatsu SAA6D107E-1C-W - ТОПЛИВОПРОВОД. ДВИГАТЕЛЬ
1
2
3
4
5
6
7
8
8
8
8
9
9
10
11
12
13
14
15
16
17
18
18
19
19
20
20
21
21
22
22
FIT
1:1
100%

Артикул

Название

Примечание

Количество

1

6754-71-5410

CONNECTOR

SN: 26500006-UP

1шт.

2

01435-60835

BOLT

SN: 26590211-UP

1шт.

2

6732-61-6140

BOLT

SN: 26500006-26590210

1шт.

3

6736-81-8730

BOLT

SN: 26500006-UP

2шт.

4

6754-71-5421

TUBE

SN: 26545098-UP

1шт.

4

0

TUBE

SN: 26500006-26545097

1шт.

5

6735-71-3821

SEAL

SN: 26500006-UP

1шт.

6

6754-71-5430

VALVE,CHECK

SN: 26500006-UP

1шт.

7

6745-71-1130

WASHER

SN: 26558989-UP

1шт.

8

07005-01212

SEAL, WASHER

SN: 26558989-UP

5шт.

8

07005-01212

SEAL, WASHER

SN: 26500006-26558988

6шт.

9

6732-71-6510

BOLT

SN: 26500006-UP

2шт.

10

6754-71-5150

PLUG

SN: 26500006-UP

1шт.

11

6754-71-5450

BRACKET

SN: 26500006-UP

1шт.

12

6732-21-6630

BOLT

SN: 26500006-UP

1шт.

13

04434-51708

CLIP

SN: 26500006-UP

1шт.

14

07095-40211

CUSHION

SN: 26563929-UP

1шт.

14

0

CUSHION

SN: 26500006-26563928

1шт.

15

6732-21-3120

BOLT

SN: 26500006-UP

1шт.

16

154-61-16570

WASHER

SN: 26500006-UP

1шт.

|$23

6754-71-5120

TUBE ASS'Y

SN: 26500006-UP

1шт.

17

6754-71-5130

TUBE

SN: 26500006-UP

1шт.

18

6754-71-5140

PLATE

SN: 26500006-UP

2шт.

19

6217-71-6670

CLAMP

SN: 26500006-UP

2шт.

20

6217-71-6660

CLAMP

SN: 26500006-UP

2шт.

21

6733-71-5830

BOLT

SN: 26500006-UP

2шт.

22

6732-61-3110

BOLT

SN: 26500006-UP

2шт.

Выбрано товаров: 0