Запчасти Komatsu SAA6D107E-1C-W ТОПЛИВН. ВПРЫСК КОНТРОЛЛЕР КОМПОНЕНТЫ(№-) ДВИГАТЕЛЬ

Схема запчастей Komatsu SAA6D107E-1C-W - ТОПЛИВН. ВПРЫСК КОНТРОЛЛЕР КОМПОНЕНТЫ(№-) ДВИГАТЕЛЬ
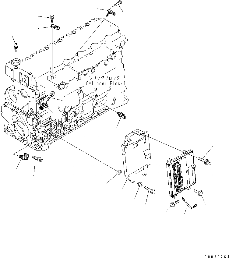
1
1
2
3
4
5
6
7
8
8
9
9
10
11
12
13
14
15
FIT
1:1
100%

Артикул

Название

Примечание

Количество

1

6754-81-9470

ISOLATOR

SN: 26535343-UP

3шт.

2

6754-81-9460

BRACKET

SN: 26535343-UP

1шт.

3

6735-61-2120

BOLT

SN: 26535343-UP

3шт.

4

6754-81-9161

BOLT

SN: 26557970-UP

3шт.

4

6754-81-9160

BOLT

SN: 26535343-26557969

3шт.

5

6732-61-3110

BOLT

SN: 26535343-UP

2шт.

6

6754-81-9170

WIRE

SN: 26535343-UP

1шт.

7

6216-74-6180

BOLT

SN: 26535343-UP

1шт.

8

6271-81-9201

SENSOR,POSITION

SN: 26547461-UP

2шт.

8

0

SENSOR,POSITION

SN: 26537528-26547460

2шт.

8

6754-81-9200

SENSOR ASS'Y,POSITION

SN: 26535343-26537527

2шт.

9

6216-84-9220

BOLT

SN: 26535343-UP

2шт.

10

6744-81-4010

SWITCH,PRESSURE

SN: 26535343-UP

1шт.

11

6261-81-1900

SENSOR

SN: 26535343-UP

1шт.

12

6734-71-5520

BOLT

SN: 26535343-UP

1шт.

13

6754-81-2701

SENSOR ASS'Y,TEMPERATURE

SN: 26535343-UP

1шт.

14

6754-81-9180

SCREW

SN: 26535343-UP

1шт.

15

6261-81-6901

SENSOR ASS'Y,TEMPERATURE

SN: 26535343-UP

1шт.

Выбрано товаров: 0