Запчасти Komatsu SAA6D107E-1C-WK ТОПЛИВН. ФИЛЬТР. AA ДВИГАТЕЛЬ

Схема запчастей Komatsu SAA6D107E-1C-WK - ТОПЛИВН. ФИЛЬТР. AA ДВИГАТЕЛЬ
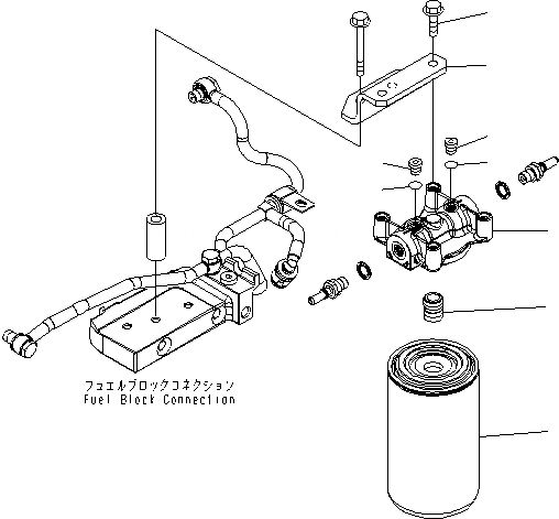
1
2
3
3
4
4
5
6
7
FIT
1:1
100%

Артикул

Название

Примечание

Количество

|1

6754-71-6300

FILTER ASSEMBLY

SN: 21686905-UP

1шт.

1

6754-71-6130

FILTER

SN: 21686905-UP

1шт.

2

6754-71-6330

ADAPTER

SN: 21686905-UP

1шт.

|3

6732-21-1960

PLUG ASSEMBLY

SN: 21686905-UP

2шт.

3

6215-81-9510

PLUG

SN: 21686905-UP

1шт.

4

6215-81-9710

O-RING

SN: 21686905-UP

1шт.

5

6754-71-6320

HEAD

SN: 21686905-UP

1шт.

6

6754-71-9930

BRACKET

SN: 21686905-UP

1шт.

7

6732-21-5160

BOLT

SN: 21686905-UP

2шт.

Выбрано товаров: 9