Запчасти Komatsu SAA6D107E-1CA УПРАВЛ-Е ДВИГАТЕЛЕМ MODULE И ДАТЧИКS ДВИГАТЕЛЬ

Схема запчастей Komatsu SAA6D107E-1CA - УПРАВЛ-Е ДВИГАТЕЛЕМ MODULE И ДАТЧИКS ДВИГАТЕЛЬ
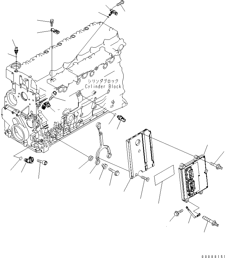
1
2
3
3
4
4
5
6
6
7
7
8
9
10
11
12
13
14
15
16
17
18
19
20
21
22
23
FIT
1:1
100%

Артикул

Название

Примечание

Количество

1

6216-74-6180

BOLT

SN: .-UP

1шт.

2

6754-81-9150

BOLT

SN: .-UP

3шт.

|$2

6754-81-9200

SENSOR ASS'Y,POSITION

SN: .-UP

2шт.

3

6754-81-2900

SENSOR,POSITION

SN: .-UP

1шт.

4

0

SENSOR ASS'Y

SN: .-UP

1шт.

5

6735-61-2120

BOLT

SN: .-UP

3шт.

6

6216-84-9220

BOLT

SN: .-UP

2шт.

7

6734-71-5520

BOLT

SN: .-UP

1шт.

8

6754-81-9160

BOLT

SN: .-UP

5шт.

9

6754-81-9110

ISOLATOR,VIBRATION

SN: .-UP

3шт.

10

6754-81-9130

ISOLATOR,VIBRATION

SN: .-UP

3шт.

11

6754-81-9180

SCREW

SN: .-UP

1шт.

12

6754-81-9120

BRACKET,ETR CONTROL MODULE

SN: .-UP

1шт.

13

6754-81-9170

WIRE,GROUND

SN: .-UP

1шт.

14

6261-81-1900

SENSOR,PRESSURE

SN: .-UP

1шт.

|$16

6744-81-4010

SWITCH,PRESSURE

SN: .-UP

1шт.

15

6744-81-4020

SWITCH,PRESSURE

SN: .-UP

1шт.

16

6216-84-9740

SEAL,O-RING

SN: .-UP

1шт.

17

6261-81-6901

SENSOR ASS'Y,TEMPERATURE

SN: .-UP

1шт.

18

6216-84-9740

SEAL,O-RING

SN: .-UP

1шт.

19

6754-82-2110

PLATE

SN: .-UP

1шт.

|$24

6754-81-2701

SENSOR ASS'Y,PRESSURE TEMPERATURE

SN: .-UP

1шт.

20

0

SENSOR,PRESSURE TEMPERATURE

SN: .-UP

1шт.

21

6754-81-2710

O-RING,SEAL

SN: .-UP

1шт.

22

0

CONTROLLER ASS'Y,ENGINE CONTROL (F1)

SN: .-UP

1шт.

23

6754-81-9140

SUPPORT,ETR CONTROL MODULE

SN: .-UP

1шт.

|$$27

(F1)

-1шт.

|$$28

CONTACT RIPLEY PARTS SUPPLY CENTER WITH ENGINE SERIAL NUMBER TO ORDER PROPER ENGINE CONTROLLER.

-1шт.

Выбрано товаров: 28